EasyManua.ls Logo

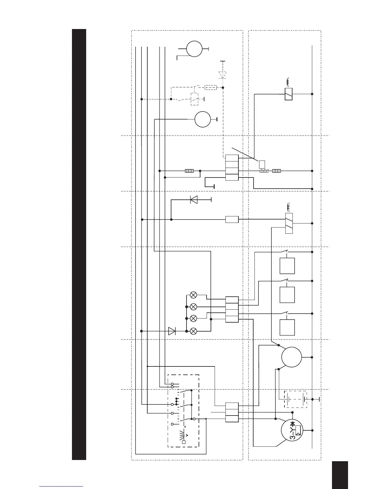
Hatz 2-4M40 - Circuit Diagram 24 V - System with Fault Display

Hatz 2-4M40
174 pages
Print Icon
To Next Page IconTo Next Page
To Next Page IconTo Next Page
To Previous Page IconTo Previous Page
To Previous Page IconTo Previous Page
Loading...
4
L / M . . / 07.96
P0123
58 50a 15 19 17
P, 0, 1
30
86
30
87
85
30
50
M
G
U
D+
B+
P
u
P
h
P1
n
P2
15
W-1
0
7
Y1
0
Y3
3
AW
7
HW
S1
G1G2 M1
31
30
15
50
19
17
221
3
W-6
W
7
4
17
5
2
X1
86
14
0
X1X1X1
S8 S7 S6
H1 H4 H2 H3
V1
R1
R3 R2
H6
S5
K3
F1 8A
V2
V2
12
3
4
56
Engine
4 L / M 31,40,41 only
Instrument box
Power supply
Charging device
Starting device
Monitoring + display
Engine shut-down Pre-heating
Optiones
(Hour-run meter, speed adjustment)
Circuit diagram 24 V - system with fault display

Table of Contents

Other manuals for Hatz 2-4M40

Related product manuals