EasyManua.ls Logo

Hayward CAT-2000 - Page 9

Hayward CAT-2000
28 pages
Print Icon
To Next Page IconTo Next Page
To Next Page IconTo Next Page
To Previous Page IconTo Previous Page
To Previous Page IconTo Previous Page
Loading...
USE ONLY HAYWARD GENUINE REPLACEMENT PARTS
8
14. Label and support all new piping. If new chemical feeders are to be used with the controller,
install according to instructions provided by the manufacturer.
15. Connect chemical feeders to the controller unit as labeled.
16. Resume operation of the filtration system and check for leaks.
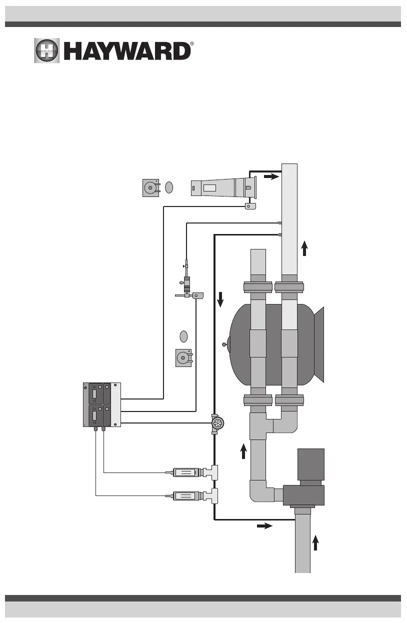
Typical CAT 2000 Installation Diagram With Bypass Line
Flow
Main Drain
and Skimmer
Flow
Flow
Flow
Flow Cell / Flow Sensor Bypass Line (Plumbed On-Site)
Solenoid
Flow
Solenoid
CAT CO2
pH Control
Erosion
Feeder
or
or
Chemical
Pump
Chemical Pump
SUCTION LINE
PUMP
FILTER
WASTE
RETURN LINE
pH
ORP
CAT 2000
Chemical Automation Technologies Automated Controller
pH / ORP
pH ORP
FEED
ALARM
Setpoint Adjustment
SET CALIBRATE
Channel Mode Selection
AUTO OFF MANUAL
FEED ALARM
Setpoint Adjustment
SET BREAKPOINT
Channel Mode Selection
AUTO OFF MANUAL
POWER
Flow Sensor
CAT 2000
CONTROLLER
CAT PRO25
ORP
Sensor
CAT PRO15
pH
Sensor
pH
ORP
Sensor Adaptors

Related product manuals