EasyManua.ls Logo

Hazard CS201 - Page 6

Default Icon
8 pages
Print Icon
To Next Page IconTo Next Page
To Next Page IconTo Next Page
To Previous Page IconTo Previous Page
To Previous Page IconTo Previous Page
Loading...
920-0090-01 Rev C
Page 6 of 8
CS201 Electronic Siren
1
1
2
2
3
3
4
4
5
5
6
6
7
7
8
8
D D
C C
B B
A A
Darren
NON DISCLOSURE AGREEMENT
THIS DRAWING AND THE DESIGN IT DISCLOSES ARE THE PRIVATE PROPERTY OF ECCO GROUP AND ARE ISSUED IN CONFIDENCE FOR
ENGINEERING INFORMATION ONLY. THE DRAWING AND/OR DESIGN MAY NOT BE USED, COPIED, REPRODUCED OR OTHERWISE
DISCLOSED IN PART OR AS A WHOLE TO OUTSIDERS OR USED FOR ANY OTHER PURPOSES
WITHOUT THE PRIOR WRITTEN CONSENT OF
ECCO GROUP. THE DRAWING IS SUBJECT TO RECALL AT ANY TIME. YOUR POSSESSION OF THIS DOCUMENT CONSTITUTES ACCEPTANCE
OF THESE TERMS. © 2007 ECCO GROUP.
Group Headquarters &
North American Division
1-800-635-5900
European Division
+44 (0) 113 237 5340
Pacific Asia Division
+61 (0) 3 6332 2400
www.eccogroup.com
MFG. ENG.
APPROVALS DATE
DESIGNER
CHECKED
ELEC. ENG.
2007-07-24
YYYY-MM-DD
Revision History
2007-07-24Date Created:
A3Sheet size:11Sheet of
EP06033
Project:
n/a
Drawing #:
1.0
Rev:
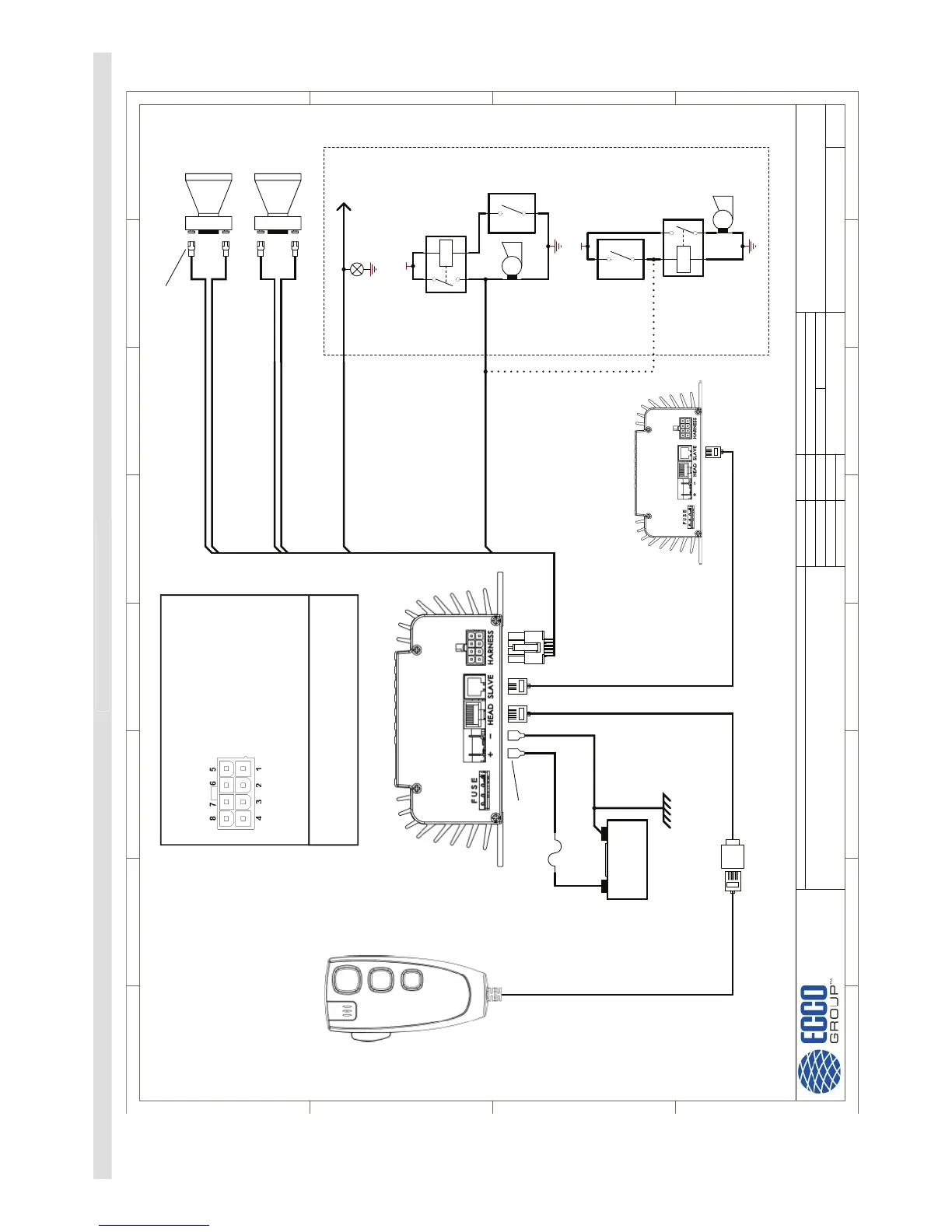
CS201 WIRING
Description:
Variant:
Variant name is not interpreted until output
HORN CIRCUIT
HRT (OPTIONAL)
PARKLIGHT (OPTIONAL)BLUE
YELLOW
BLACK
PARKLIGHT CIRCUIT
EXTENSION CABLE
WHITE (FIG-8)
VEHICLE CIRCUITRY
SPEAKER 1
WHITE (FIG-8) SPEAKER 2 (OPTIONAL)
GROUND
RED
+VE
CHASSIS
-+
NOTE: SLAVE AMPLIFIER ALSO REQUIRES
SLAVE CONNECTION (OPTIONAL)
VEHICLE
HORN RELAY
SWITCH
HORN
TO VEHICLE PARK
VEHICLE
LIGHT CIRCUIT
FUSE 25A
+VE
VEHICLE
HORN RELAY
SWITCH
HORN
VEHICLE
HORN CIRCUIT
POSITIVE SWITCHING
NEGATIVE SWITCHING
6.3mm (0.25") FEMALE SPADE TERMINALS, SEMI-INSULATED
6.3mm (0.25") FEMALE SPADE
TERMINALS, FULLY INSULATED
HORN
HORN
11 OHM
SPEAKER
100 WATT
11 OHM
100 WATT
SPEAKER
POSITIVE, NEGATIVE AND SPEAKER CONNECTIONS
Harness Connector (Front View)
1 - No Connection
2 - Horn Input (+)
3 - Speaker 2 Out (-)
4 - Speaker 1 Out (-)
5 - No Connection
6 - Park Input (+)
7 - Speaker 2 Out (+)
8 - Speaker 1 Out (+)
Fuse Requirements
12V - 20A ATO
24V - 15A ATO