EasyManua.ls Logo

HearthStone 8521 - Electrical Schematics

HearthStone 8521
32 pages
Print Icon
To Next Page IconTo Next Page
To Next Page IconTo Next Page
To Previous Page IconTo Previous Page
To Previous Page IconTo Previous Page
Loading...
Hearthstone Quality Home Heating Products , Inc. ODEL 8521 Sterling “G” B-Vent
23
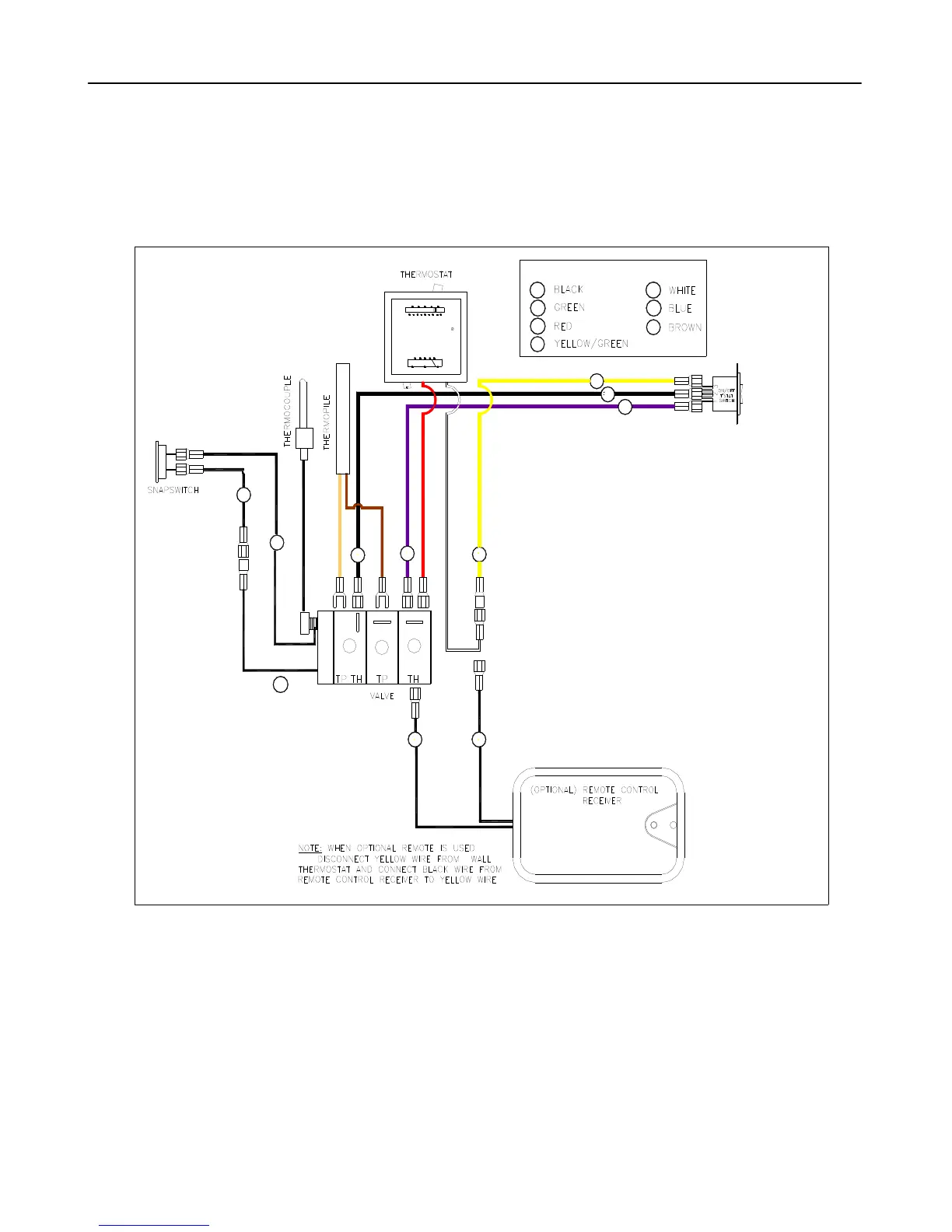
Electrical Schematics
HearthStone
Bk
B
Bk
Y
Br
B
Bk
Y
V
BkBk
G
YG
R
c
50 70 90
10 20 30
O
O
F
F
50 60 70 80 90
c
10 20 30
O
Bk
V
Bk W
Wiring Color KEY:

Related product manuals