EasyManua.ls Logo

Heathkit IM-16 - Page 44

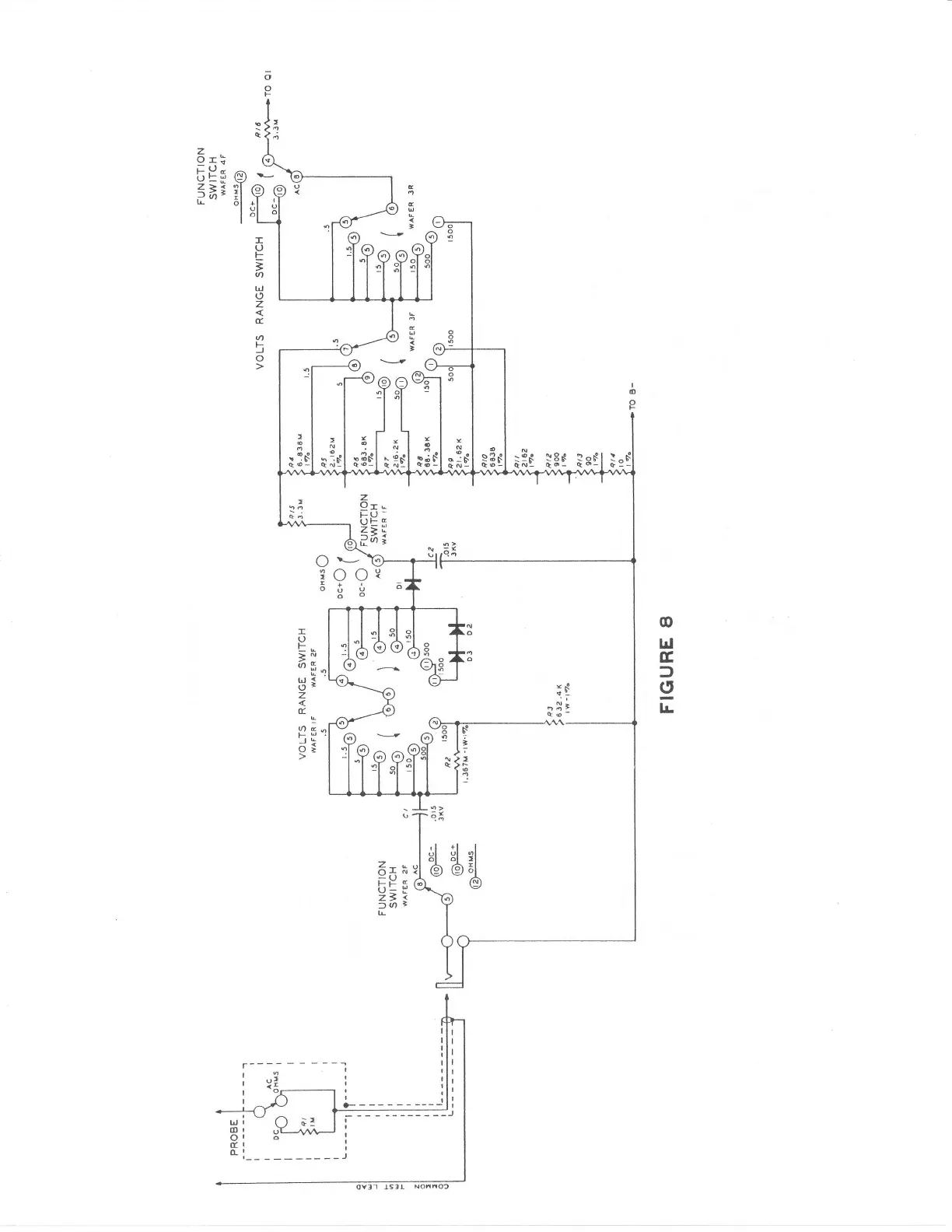
Heathkit IM-16
56 pages
Print Icon
To Next Page IconTo Next Page
To Next Page IconTo Next Page
To Previous Page IconTo Previous Page
To Previous Page IconTo Previous Page
Loading...
o
o
F
E
:
z
or5
58r
o
ia;
il
I
I
U
t-
=
o
u.l
u
z
d
o
5
o
o-F :9t
188 !
ole
oN: oo- Qo-
ig{
[;{
:
"
1S(
;.
z
or.
F()-
uLg
F;:
Q'--
?oo?
;o
o
lrl
t
f,
rJ
L.
5f
S!
I
(J
t"
6t
ut
z
*=
hP
di
Y4
il rl
651
o
$
z_-
o*
^
95
[
t(4
B
L
t:
l>

Related product manuals