EasyManua.ls Logo

Heathkit IM-4180 - Page 30

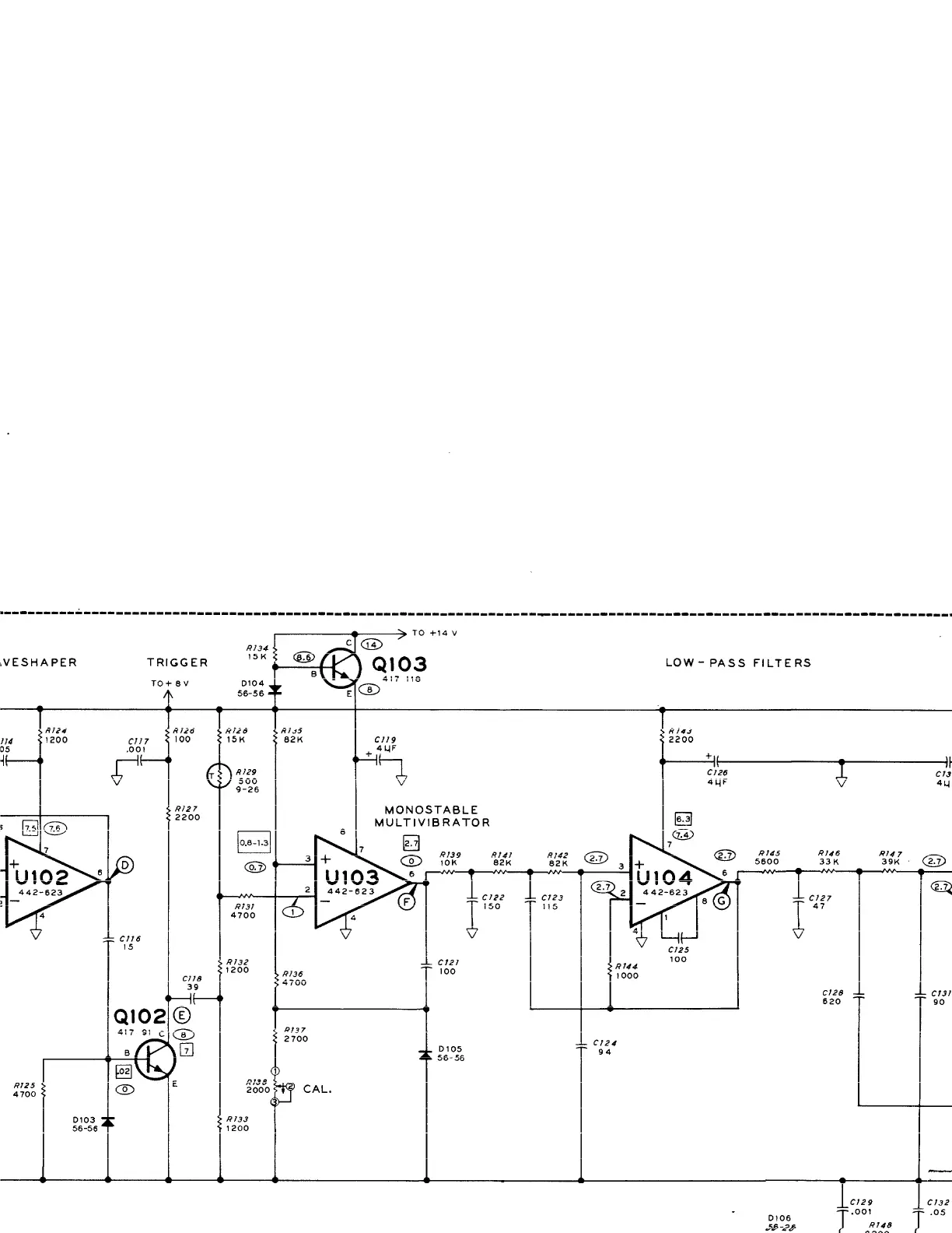
Heathkit IM-4180
42 pages
Print Icon
To Next Page IconTo Next Page
To Next Page IconTo Next Page
To Previous Page IconTo Previous Page
To Previous Page IconTo Previous Page
Loading...
jo
A
Sn
SS
pe
SS
SD
A
SD
SS
SS
A
mS
SS
TO
+14
Vv
LOW-PASS
FILTERS
TRIGGER
VESHAPER
TO+
BV
4)
—L-
we
~
FBG
Be
(ci
Ls
wx
go
>
@y
Ane)
vm
KR
aa
qm
an
oo
ov
—t—b
NO
xo
ar
lz
Q
©
Ny
GQ
0)
+}
Oe
©
28
a
ye
Jig
/Ts
88
1M
tn
©
or
ae
AN
——_——
i]
=~
s
-
af
+—)
!
<>
+O
xo
i)
N
ee
rn
A)
fe
ae
nh
~
oO
@
;
ae
4
wa
a
ar
22
On
v
ef
83
a
on
wo
—t—>
wo
Mt
&
No
ca
a?
“oO
ne
Ka
.
on
re
as
ee
Ze
[ii]
6)
“ACL)
nu
>
Ou.
=z
=3
oT:
ta)
;
_/[M-
4/0:
\,
0
=
>
om
T
+"
*}
a
S
N
in
x
©8
8
Ay
2
ah
'
oO
aw
an
Ne
Vr
i
a
%
32
©
7
23
e
88%
©
8S
NO
<M
yx
©
AG
£
ae
~s
na
ed
ee
=-
yA
i
}+—_——
ere
een
PA
fm
fi
rere
°
te
©
8
~
xg
AS
Qf]
:
3”
|
r=
ae
ry)
A
ss
WG
8
@
/Ms
om
was
Qo
t
Ls
al
-—
a
>
Ho
Cand
om
vt
wo
)
t
ne
~
4—
|
ty
om
.
_—a
aa

Related product manuals