EasyManua.ls Logo

Heathkit IM-4180 - Page 33

Heathkit IM-4180
42 pages
Print Icon
To Next Page IconTo Next Page
To Next Page IconTo Next Page
To Previous Page IconTo Previous Page
To Previous Page IconTo Previous Page
Loading...
|
Reo
|
TO+14V
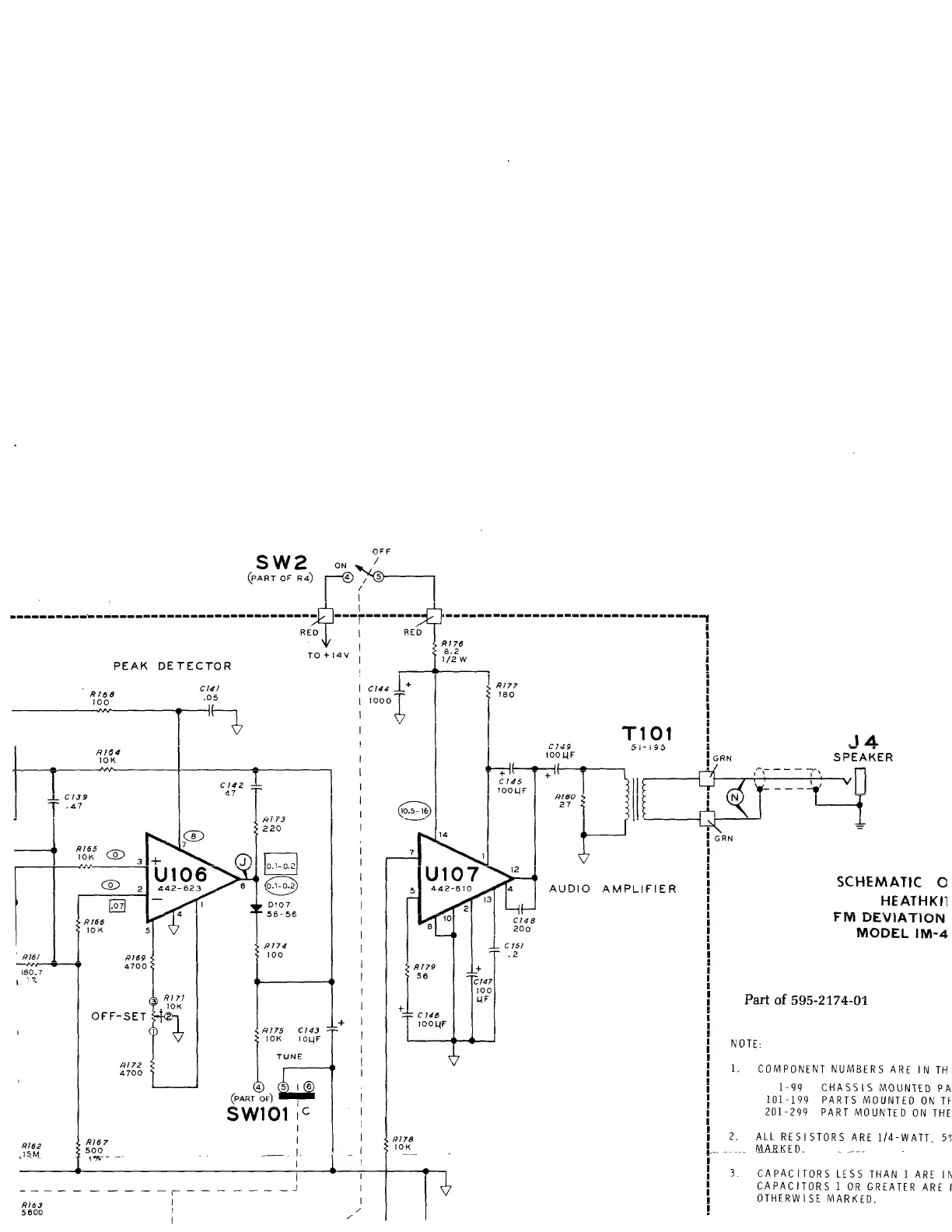
PEAK
DETECTOR
pe
et
ee
ea
el
R168
cia?
Cidd
|
es
ne
Lh
|
|
;
| |
ang
GAO
34
|
;
ioe
|
_
|
Lome
ye
SPEAKER
rT
al
|
REP
yy
eS
|
i
:
e~|
|
|
|
SS
—t
z
3.
CAPACITORS
LESS
THAN
1
ARE
IN
CAPACITORS
1
OR
GREATER
ARE
|
OTHERWISE
MARKED,
Ky
|
|
eo
—F
RIBS
oy
J
|
xf
|
|
H
we
34+
Q)
|,
-O2
U107
i
~
[2
1
|
CO
|
J106
S45
| |
:
442-610
4
AUDIO
AMPLIFIER
H
SCHEMATIC
©
——
13
1
HEATHKI)
1
DI07
1
ee
eee
R166
¥
Fe-88
10
cigs
H
FM
DEVIATION
|
|
:
10K
7
¥
|
|
|
|
|
|
°
'
|
200
!
MODEL
IM-4
}
|
in
|
| | | |
LL
crs:
i
'
pie?
|
|
R169
100
;
aro
T
+?
H
130-7
sop
|
re
eee
4
,
1%
{
Tera?
H
100
i
|
§
air)
|
|
[HF
|
Part
of
595-2174-01
,
+
!
OF
F-SET
ap
C146
| |
1
|
Fe
das
erg
At
1
|
Trier
!
|
|
Vv
|
7
10K
=
|OWF
i
|
Tt
1
NOTE:
TUNE
'
|
aire
;
|
I
|
v
}
1.
COMPONENT
NUMBERS
ARE
IN
TH,
a
1
|
|
4
5)
1
®
i
1-99
CHASSIS
MOUNTED
PA
|
(ant
or)
i
|
|
1
101-199
PARTS
MOUNTED
ON
Tt
.
i
201-299
PART
MOUNTED
ONT
|
SWIO!1
|
|
|
9
T
TE
HE
pire
§
2.
ALL
RESISTORS
ARE
1/4-WATT,
59
TaN
:
£07
|
|
|
;
10K
fo
MARKED,
-.
aM
2
1
1
1
!

Related product manuals