EasyManua.ls Logo

Heathkit IM-4180 - Page 36

Heathkit IM-4180
42 pages
Print Icon
To Next Page IconTo Next Page
To Next Page IconTo Next Page
To Previous Page IconTo Previous Page
To Previous Page IconTo Previous Page
Loading...
2S
a
ae
ee
ae
ee
2
OS
S
SSS
S
SS
SSS
SS
OS
SSS
SS
SS
SSS
SS
SS
SS
SSS
SS SS
SS
SSS
SS
SS
SSS
SS
SS
SS
SSS
SSS
SSS
SSS
SS
SSS
SOs
SS
ss
SS
SSS
Ss
SPSS
ClLOCcbuit
RAADN
wwf
=)
Ww
w
ITTY
wit
ts
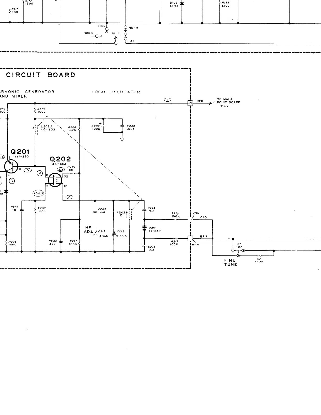
RMONIC
GENERATOR
LOCAL
osc!
\ND
MIXER
jeannnn
C8»
acs
TO
MAIN
=
By
ee
CIRCUIT
BOARD
1
+BV
204
P2OSs
i
QO
r
r
!
I
i
!
rl
I
!
r
r
I
I
|
!
rl
rl
!
I
|
1
|
r
I
i
]
1
i
r
r
!
rl
r
!
L
i
!
~~
a
!
.
1
ORG
T
tf
ORG
Li
!
I
t
I
L
.
ry
RRN
4
nzos
|
|
470
T
aa
3
| | |
100K
BRN
Rg
FINE
ale
Lowe
ee

Related product manuals