EasyManua.ls Logo

Heathkit TT-1 - Page 24

Heathkit TT-1
25 pages
Print Icon
To Next Page IconTo Next Page
To Next Page IconTo Next Page
To Previous Page IconTo Previous Page
To Previous Page IconTo Previous Page
Loading...
@)
@)
47K
10%
2W
t
>—-
+—
i
,|
-
:
:
|
a
|
i
|
in
304
SNA
SN
A
2,
2-845
oo
De
oP
b®Re
AON
>
2@eQ@
oB@&o
Pee,
'
Tuer
6)
@
e)
@.
©
@
a
gh)
P @ ©
OVP
#6)
TESY
@
@
LOY
2
aeOMo
0,
@)
@ a
©
at
fb
@
Od}
@
WD
®
o
es
@)
3
5
5
Q
5
e 5
G
8
aye
te
8
5
On
Bt)
LEAKAGE
nO)
|
OO
|
|
CO%*"en
se)
km)
snc
O@
snc
[
sno
sw
OW)
|
27K
10%
-
|
|
t
"
——
IE
~
onl
tT
4uro
(es)
toee
orl
©
peb---
BOON
METER
——___
a.
|
|
H
1 \
t
i
|
Legge
ots
(R39)
|
|
i
!
18k
S470]
-
H
feat R28}
7
'
6
4
rom
Fron!
O
Oi
EE
oe
ee
Ow
fuse
rose
oe
ee
400V
1%
Yow
1%
L
a
e3
rt
>
2
!
|
DISCONNECT
rT
rt
'
r
ax
“Le
|
10K
1%
crs
faz]
®
>
@
B33
{Es]
02
uF
eoov
7]
t
z
s00n
:
oY
U
5
+
—wiwe
eo
ea
1,
|
Le
sx
2
47K
10%
100LF
=~
=7>
OOF
Ca
ean
2OUF
‘350V
50V
50V
a
Zs
f)
jRz0}
Bix!
ee
S
{3
p
2500
1%
@
co
_
@)
_
:
1
ce)
8-05
(9)
tt
© 2
2502,
€9)
BLU
7
f
Ce
U3
|
1%
~
@
Oe
Q ©
4b
aa
69)
£2)
==])
FT
=E-€
“£7
a
©
©
>
soon
Sixx
10K
@
wv
vo
we
Oy
©
-of
i
@r
p+
5
1%
1
TO
WG
6
ALL
H
i
©
Oxo)
CRN
yy
$—sturcron
smrents
|
\
H
\
!
i
To
we
1
Alt
RED
GRiD
CAP
u__t4
PLATE
CAP
[
en
in
LEZ
SELECTOR
SWITCHES
SIGNAL
TO
WS
9
AL
TO
LUGS
AL
ae
eee
a
sean
st
Sone
aoe
|
Che
|
~Eo
ee
irae
}>
BU
Shon
rm
o
@.G)
eX)
@
a
on
Fe
on
20
OX
2
a
.
~
g
eo
Sector
Swarcnes
@
®|
|
1@
6
O—
|1@
©
P
©@
1)
©)
@
2)
@
ka)
OW
ke)
©,
KS)
®
VO,
o,
ka)
LAO
nib
SINO
leh
OO
4G)
ve
[OKG)
[OK]
Oe
OxO)
To
PINS
TO
PIN
4
TO
PIN
3
TO
PIN
2
TO
PIN
*
ALL
TUBE
SOCKETS
ALL
TUBE
SOCKETS
ALL
TUBE
SOCKETS
ALL
TUBE
SOCKETS
ALL
TUBE
SOCKETS
Q-PIN
MINIATURE
TUBE
SOCKET
7-PIN
MINIATURE
TUBE
SOCKET
5)
Pe
eo
@
fl
i
i
ia
° ©
Ru
Sebron
swrcnes
sees
TT
70
we
aeRe
eee
ake
okRe
&
yoon
AU
SELECTOR
SWITCHES
@
ee
S
®
~
«
e)
@
x
‘)
@
4
«
S
;
ALL
CAPs
®
2)
@
©)
9)
@)
©
Ks)
@)
@)
Ks)
=
SS
=
SS
OR
OS
OR
SR
toomur
=
=
=
g Q
©
©) @)
©)
LTT
TTT
LTe,elt
LT
TT
OS™
OS
URS
BS
CHASSIS
=
GROUND
TO
PIN
&
TO
PIN
&
TO
PIN
7
To
PIN
&
ALL
TUBE
SOCKETS
ALL
TUBE
SOCKETS
ALL
TUBE
SOCKETS
ALL
TUBE
SOCKETS
v2
1ZAVE
To
sM6
fa)
|
ba
iw
=P
asov
£2
TO
sM3
nore:
SWITCHES
SHOWN
IN
MAKIMUM
COUNTERCLOCKWISE
POSITION.
RG
SELECTOR
SWITCHES
IN
ZERO
POSITION
T
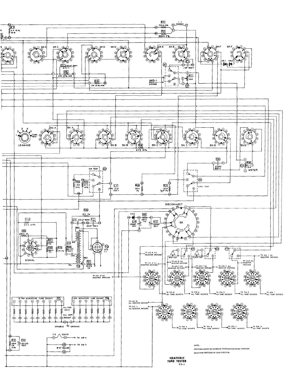
HEATHKIT
TUBE
TESTER
=
|
TT-1

Related product manuals