EasyManua.ls Logo

Heco CELAN SUB 30A - Page 58

Heco CELAN SUB 30A
Print Icon
To Next Page IconTo Next Page
To Next Page IconTo Next Page
To Previous Page IconTo Previous Page
To Previous Page IconTo Previous Page
Loading...
58
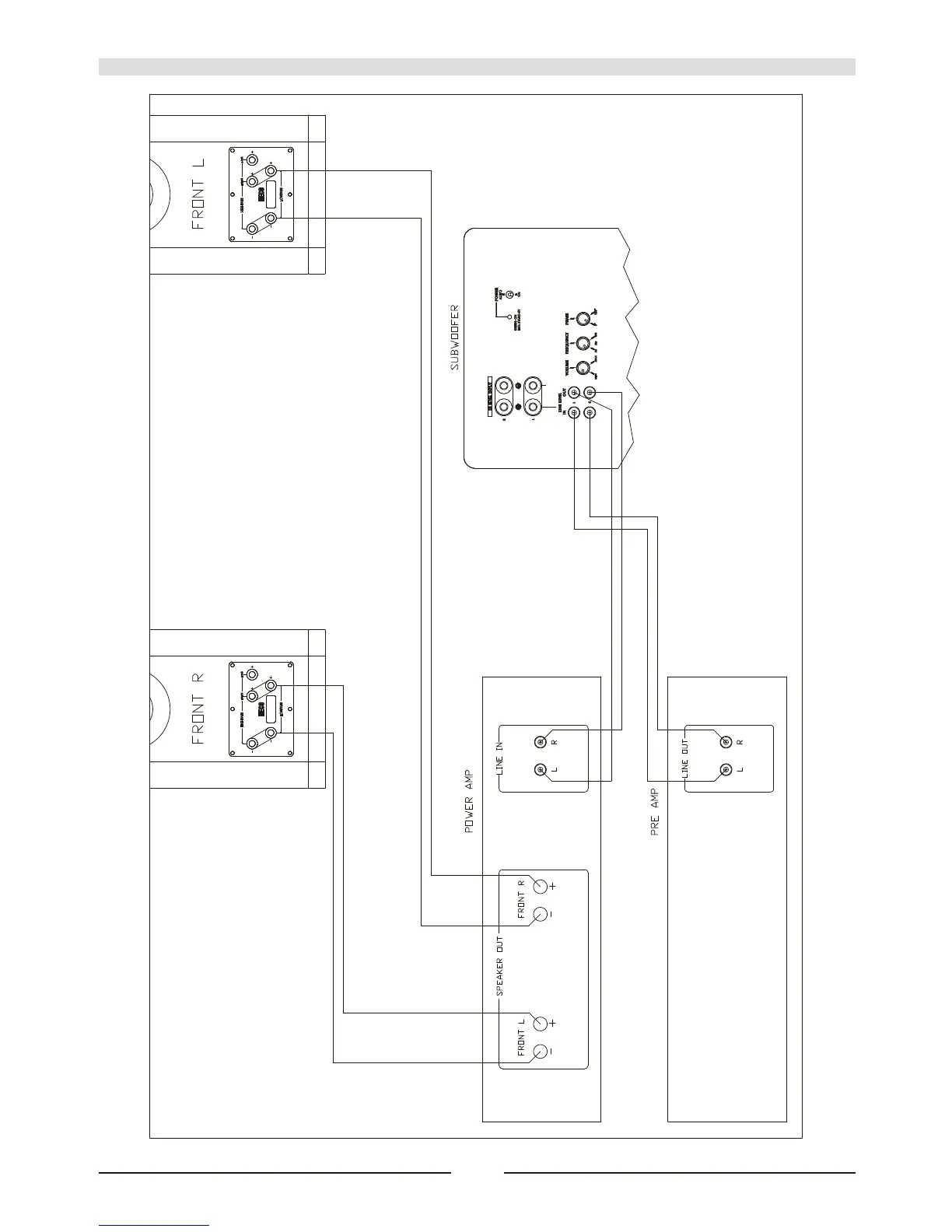
F ig . 4

Related product manuals