EasyManua.ls Logo

HELI CPCD 25 - Page 44

Default Icon
98 pages
Print Icon
To Next Page IconTo Next Page
To Next Page IconTo Next Page
To Previous Page IconTo Previous Page
To Previous Page IconTo Previous Page
Loading...
The drive axle mainly consists of the housing, the wheel hubs, the half-shafts and
the brakes. The housing is an integrally casted. The tyre with the rim is fixed to the
hub with studs and nuts. The power is transmitted to the half-shafts through the
differential and drives the front wheels through the hubs. Each hub is fixed on the
housing with two tapered roll bearings, so that the half-shafts bear only the torque
transmitted to the hubs. In the inside of the hub are oil seals to prevent water and dust
from entering and oil leakage.
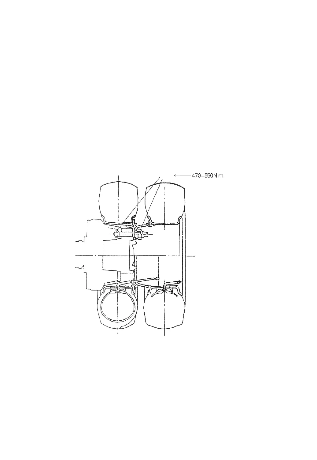
The rim for 2-2.5ton truck is splited. The 3-3.8 ton truck is provided with wide
tyre and 2-3.8ton truck with two tyres (Refer to Fig.5-2).
Fig.5-2
5.2 Maintenance of Drive Axle
The remounting of the hubs of the drive axle is done in following procedure:
(1) Grease the tapered roller bearings.
(2) Screw down the lock nut for the tapered roller bearing to ensure it can bear
the hub rotating torque of 9.8-29.4N.m (1-3kgm) or screw it out for 1/8 turn, after the
-42-
To rqu e
(2-3.8t)

Related product manuals