EasyManua.ls Logo

HELI CPCD 35 - 7.Steering Axle with Lateral Positioned Cylinder

Default Icon
98 pages
Print Icon
To Next Page IconTo Next Page
To Next Page IconTo Next Page
To Previous Page IconTo Previous Page
To Previous Page IconTo Previous Page
Loading...
the axle body be able to oscillate around the axles. Left and right knuckles are
positioned at two sides of the steering axle respectively. The rear wheel hubs are fitted
to the knuckle shafts through tapered roll bearings with oil seals keeping the grease in
the chambers of the hubs and the knuckles. The wheels with rims are bolted on the
hubs.
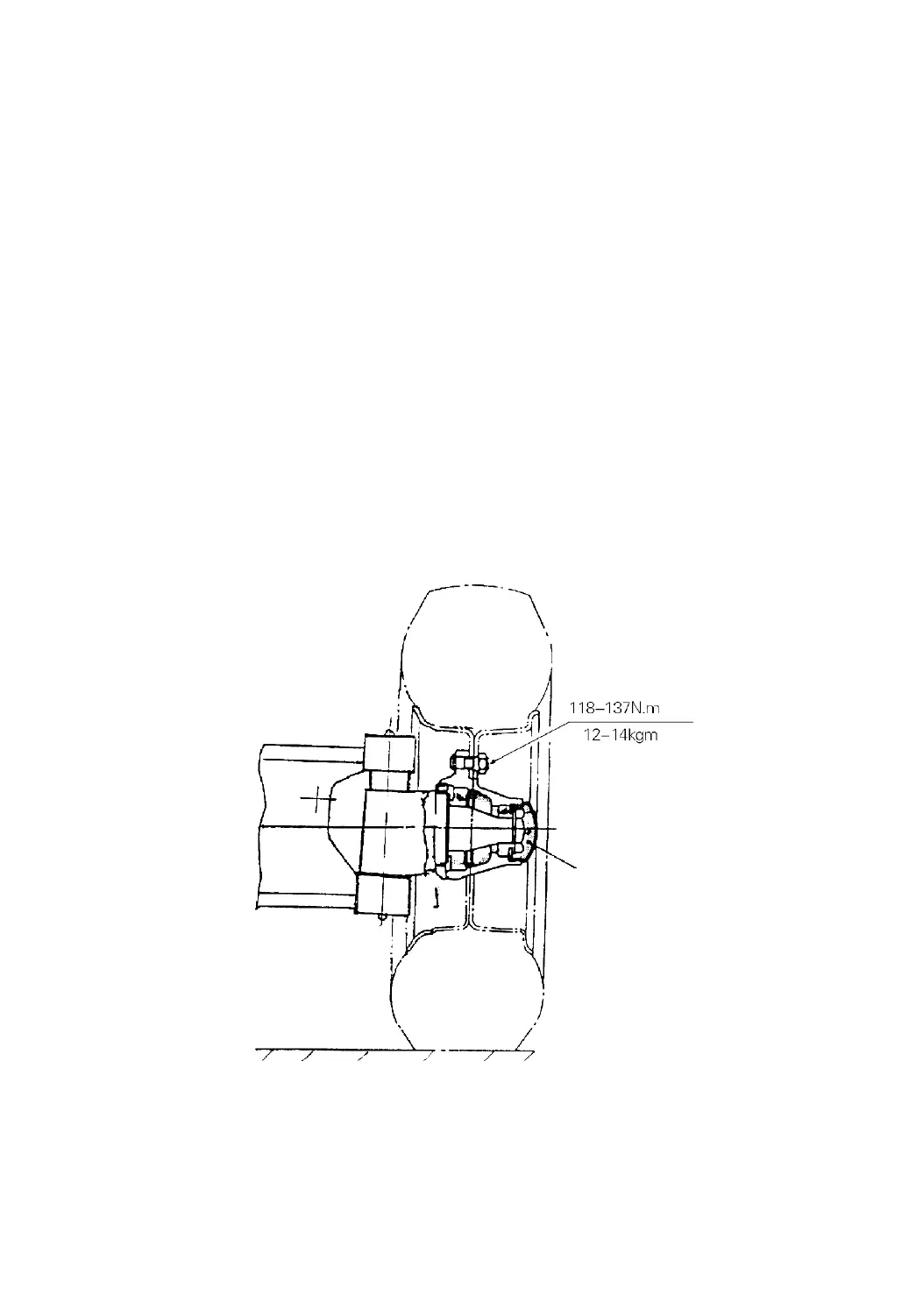
7.2 Steering Knuckle and King Pin
Both steering knuckles are fitted between the upper and the lower bushes
through two king pins, thrust bearings and shims. The king pin is locked on the
steering knuckle with a lock pin. Both ends of the king pin are supported by needle
bearings which are pressed into the bushes. There are oil seals at two faces of the
needle bearing, Each king pin is provided with an oil cup placed at the top of it.
7.3 Rear Wheel Bearing Pre-load Adjustment
Fig.7-2 Pre-load adjustment
(1) As shown in Fig.7-2, with lubricating grease, fill up the chamber formed by
wheel hubs, wheel hub bearings and wheel hub covers and coat the lips of the oil
Add lubrication grease
-50-

Related product manuals