EasyManua.ls Logo

Henderson Insulated Roller - 7 Fitting Photoelectric Safety Sensor[S]; Photoelectric Sensor Operation and Testing

Henderson Insulated Roller
12 pages
Print Icon
To Next Page IconTo Next Page
To Next Page IconTo Next Page
To Previous Page IconTo Previous Page
To Previous Page IconTo Previous Page
Loading...
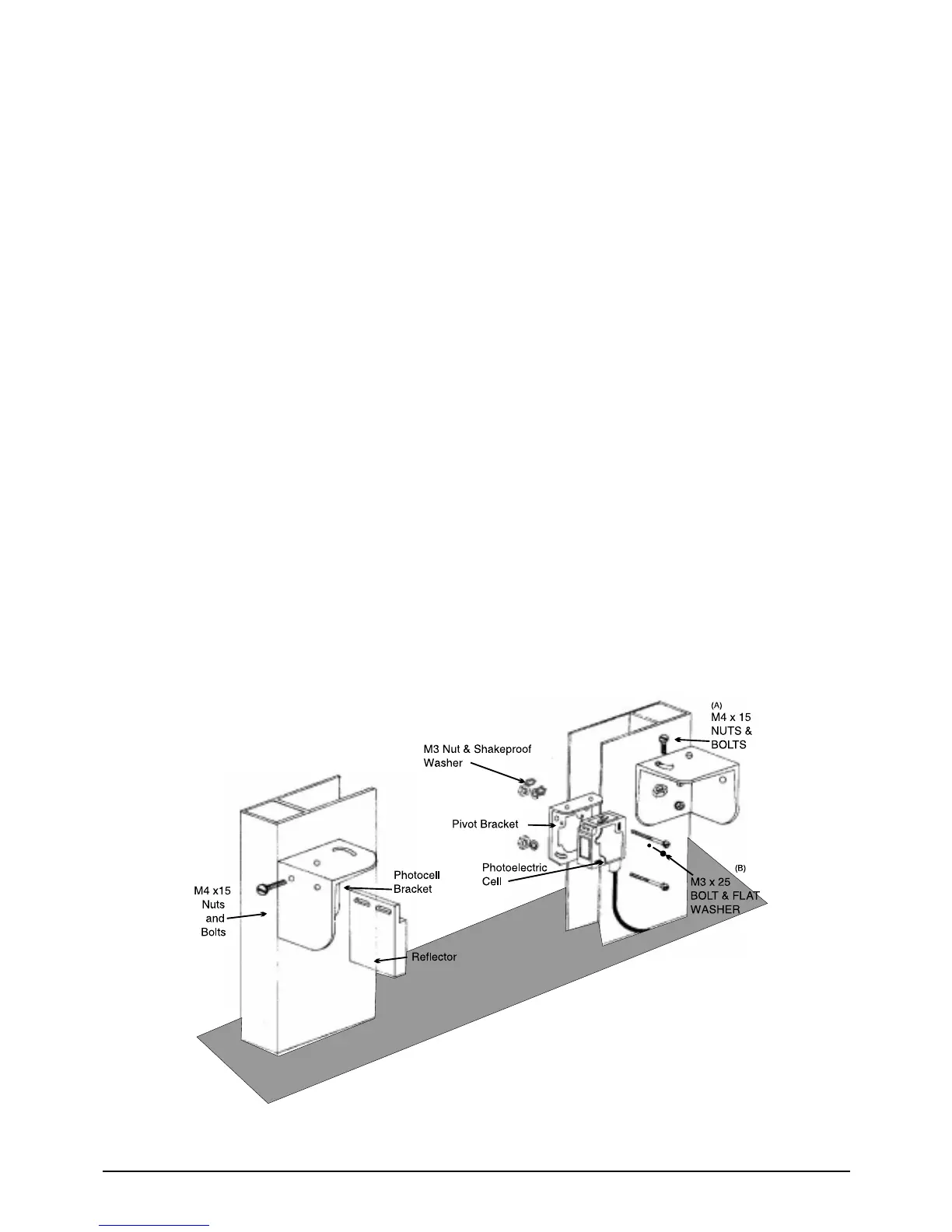
Fit the Photoelectric Safety Sensor - 7
Refer to figure 8.
Fix the photo cell brackets to the door guides at a recommended height of 300mm using the self-drilling screws provided. Fit the photoelectric
sensor to the pivot bracket using 2No M3 x 25mm nuts and bolts provided ensuring that the flat and shake proof washers are correctly fitted.
Attach the pivot bracket to the photocell bracket using 2No M4 x 15mm nuts and bolts provided.Fit the photocell reflector to the opposite bracket
using 2 No M4 x15mm nuts and bolts provided.
The diagram shows a right hand installation.The photo sensor can be fitted left hand using a similar assembly.
Note: the diagrams show the standard assembly, for extra wide doors, doors fitted with mechanical stops to the bottom rail or doors subject to
high wind pressure it is possible to turn the pivot bracket around which conveniently sets the photoelectric sensor slightly further away from the
door curtain.
7.1 How to align the photoelectric sensor(s) [ Ansa Type MLV 13/54 ]
The green L.E.D is illuminated when the photoelectric cell is switched on. For reliable operation it is important that the photo beam is centred
on the reflector using the following set-up procedure:Adjust fixing screws A & B so that the photoelectric sensor and pivot bracket can be moved
up and down and left to right. Move the sensor until the yellow L.E.D illuminates. Carefully move the pivot bracket left and right to obtain reference
points where the yellow L.E.D goes out. Set the pivot bracket in the mid position and tighten screws A.
Now similarly move the sensor up and down again noting the reference points where the yellow L.E.D goes out. Set the sensor in the mid position
and tighten screws B.
With the photocell correctly adjusted and working the green and yellow L.E.D's fitted to the sensor and the red indicator L.E.D fitted to the control
unit will be illuminated. Breaking the photo-beam will switch off the yellow L.E.D fitted to the sensor and cause the red indicator L.E.D to flash
quickly, confirming correct operation.
7.2 Photoelectric Sensor Operation And Testing
The safety beam has no effect on an opening door. Breaking the safety beam prevents closure of an open door and will also stop and re-open a
closing door.
The ADS v1.1 software fitted to the RS 1 control unit continuously monitors the photoelectric sensor. If a fault is detected the system prohibits
closure of the door.
Figure 8