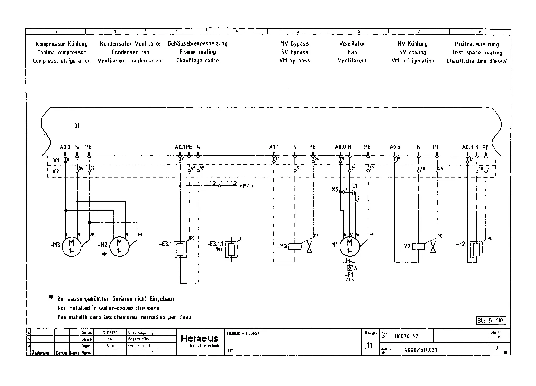
Kompressor Kiihlung
Cooling compressor
Compress.refrigeration
Kondensator Ventilator Gehauseblendenheizung
Condenser fan Frame heating
Ventilateur condensateur Chauffage cadre
MV Bypass
SV bypass
VM by-pass
Ventilator
Fan
Venfitafeur
MV Kuhlung
SV cooling
VM refrigeration
Priifraumheizung
Test space heating
Chauff.chambre
d'essai
D1
A0.2 N PE
A0.1PE N
-Hi
A1.1 N PE AO.O N PE A0.5 N PE
-J, 4, X
fr
34 137
f-l
48 154
-M3f M
PE
-M2
-E3.1
iO
L1
-
2
,15/1.1
PE
-Y3
PE
-Y2
PE
* Bei wassergekiihtten Geraten nicht Eingebaut
Not installed in water-cooled chambers
Pas install! dans les chambres refroidies par 1'eau
|BL:
5 /10
Anderung Datum
Datum
Bearb
Name
Cepr.
Norm
15.7.1994
Kti
Schi
Ursprung:
Ersatz fur
:
Ersatz durch
Heraeus
Industrietechnik
HC0020 - HC0057
TC1
Baugr.
.11
Korn.
HC020-57
Ident.
Nr.
4000/511.021
Blatt:
5