EasyManua.ls Logo

Hitachi Koki C 10FCE2 - Page 48

Hitachi Koki C 10FCE2
Print Icon
To Next Page IconTo Next Page
To Next Page IconTo Next Page
To Previous Page IconTo Previous Page
To Previous Page IconTo Previous Page
Loading...
47
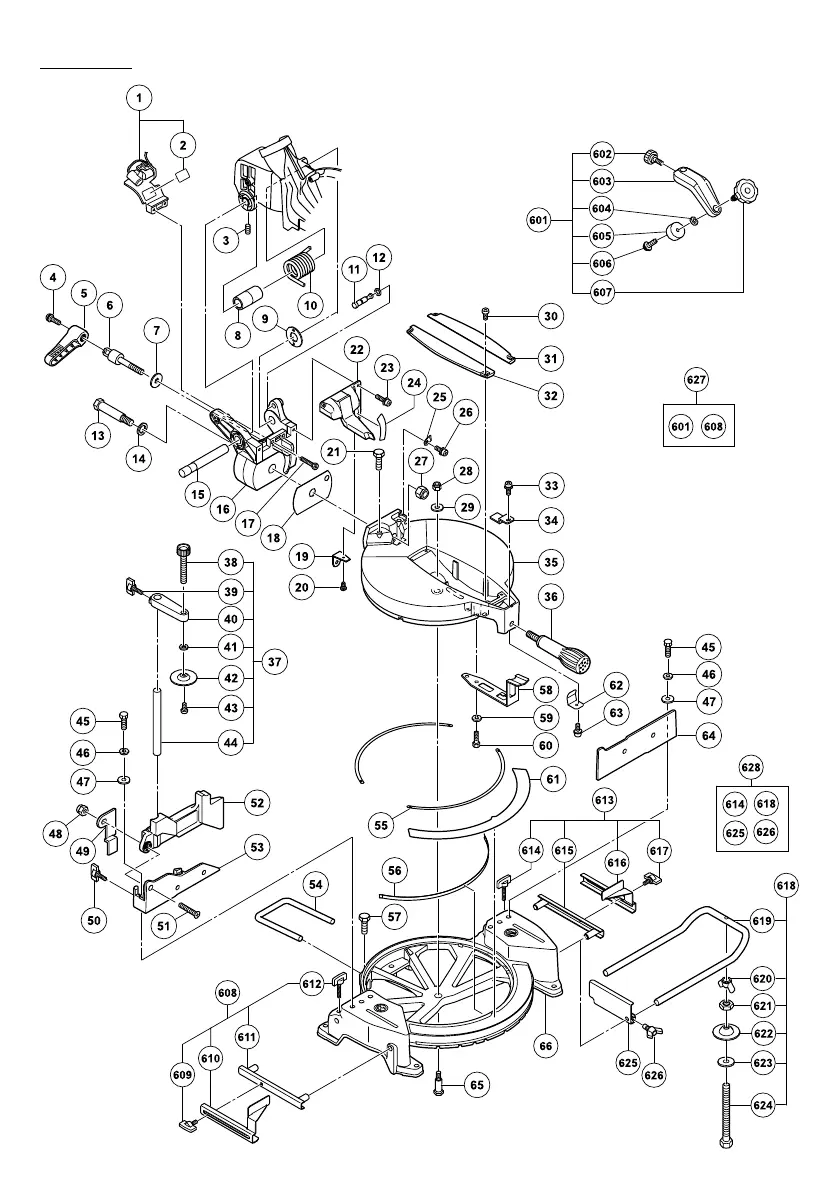
C10FCH2 (1/2)

Related product manuals