EasyManua.ls Logo

Hitachi AP1 - Page 41

Hitachi AP1
378 pages
Print Icon
To Next Page IconTo Next Page
To Next Page IconTo Next Page
To Previous Page IconTo Previous Page
To Previous Page IconTo Previous Page
Loading...
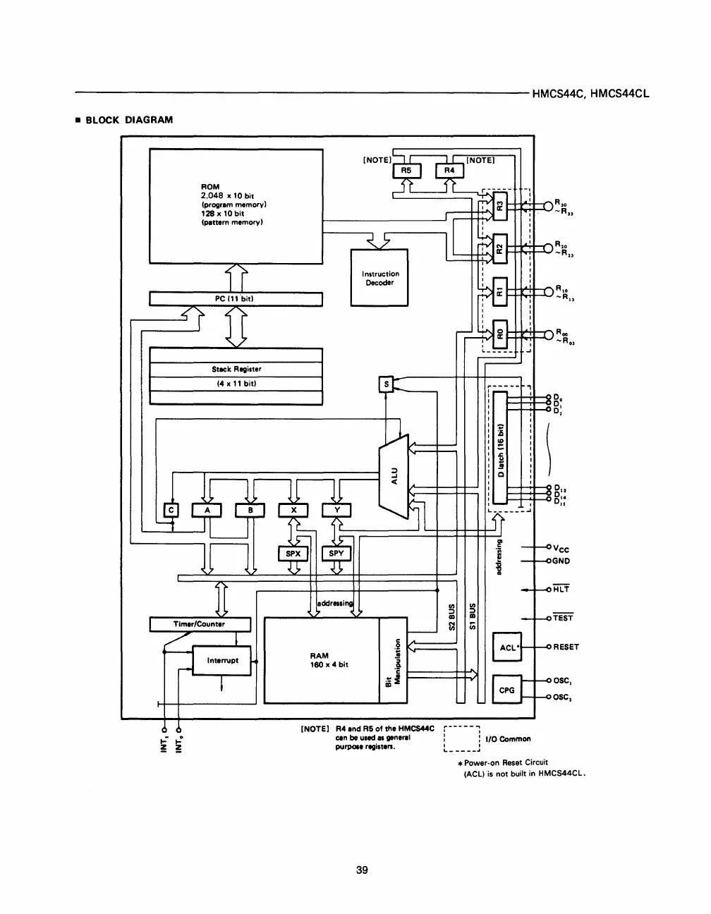
--------------------------------------------------------HMCS44C,HMCS44CL
BLOCK
DIAGRAM
AOM
2.048
x 10 bit
(program memory)
128x
10bit
(pattern memory)
i
PC
(ll'bit)
<r
11
Stack Aegister
(4x
11
bit)
~
A B X
In.
SPX
IT
Timer/Counter
/
I
'rj
Interrupt
,
)
(NOTEl~
AS
A4
r-----
,
~[
-,
:lJ
A,o
-A"
~J.
Instruction
Decoder
-
..
~
-
Jj
~
...I
<
y
,,~
Spy
;ddressillll
'"--
e
0
AAM
'j
160
x4
bit
1
'2
iii~
[NOTE)
A4
and
AS
of
the
HMCS44C
can
be used as genaral
purpose registen.
39
i[
~
-"-
Irr
"
:-
,
,
,
it'
,
,
,
,
,
,
,
,
,
r--
,
~l
,
:
,
,..::..:.:.:.:
-'
en
~
~
CD
CD
~
lii
L....
------,
,
,
,
,
-
--
--'"
~
r;.:.-
--
,
I
I
,
I
I
I
:S
I
I
I
~
I
,
~
,
;
I
I
0
,
,
,
,
I
:
.....
,
it-----'
~
-
'~
-
i
-
-
B-
B
I/O Common
:f")
)
A,o
-A"
..I
-x
-
\
x
;:;
~
Do
0,
0,
0"
0,.
0"
Vee
GNO
~,
~
~
f--o
r--o
f-o
AESET
OSC,
OSC,
*
Power-on
Reset Circuit
(ACL) is
not
built
in
HMCS44CL,