EasyManua.ls Logo

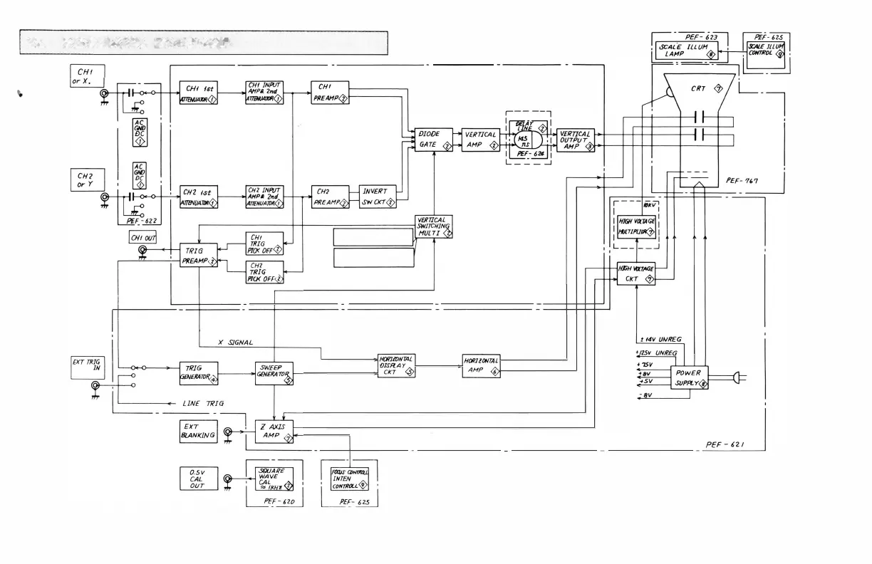
Hitachi V-355 - Schematic Diagrams

Hitachi V-355
54 pages
Print Icon
To Next Page IconTo Next Page
To Next Page IconTo Next Page
To Previous Page IconTo Previous Page
To Previous Page IconTo Previous Page
Loading...
  

, �A
C


 
 
 
 
  
 


 DIAGRAM
