EasyManua.ls Logo

Hitachi V-355 - Page 40

Hitachi V-355
54 pages
Print Icon
To Next Page IconTo Next Page
To Next Page IconTo Next Page
To Previous Page IconTo Previous Page
To Previous Page IconTo Previous Page
Loading...


















 
 

 

 

 
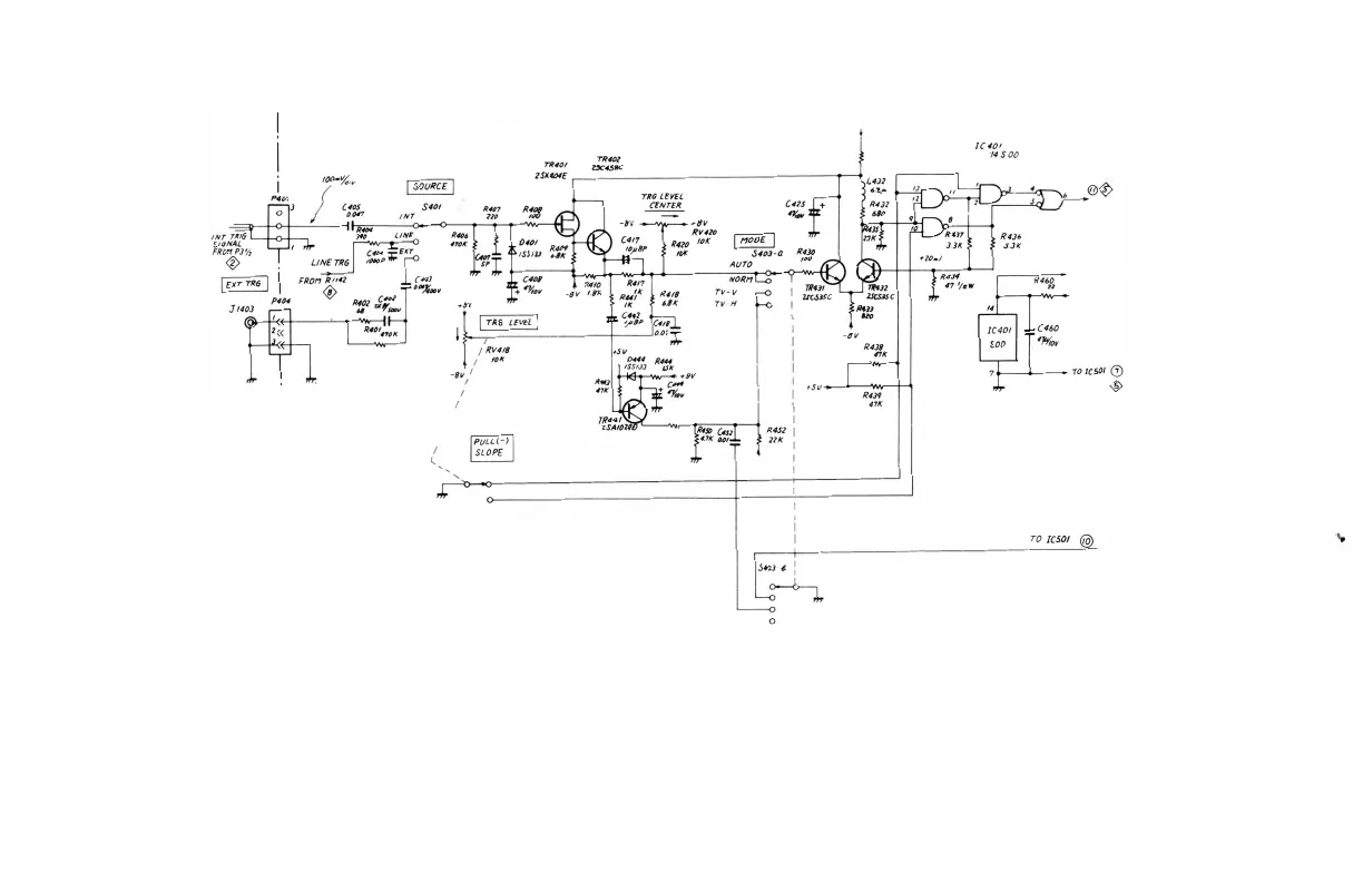
TRIG GEN
37