EasyManua.ls Logo

Hitachi V-355 - Page 46

Hitachi V-355
54 pages
Print Icon
To Next Page IconTo Next Page
To Next Page IconTo Next Page
To Previous Page IconTo Previous Page
To Previous Page IconTo Previous Page
Loading...
 


 












 






 

 




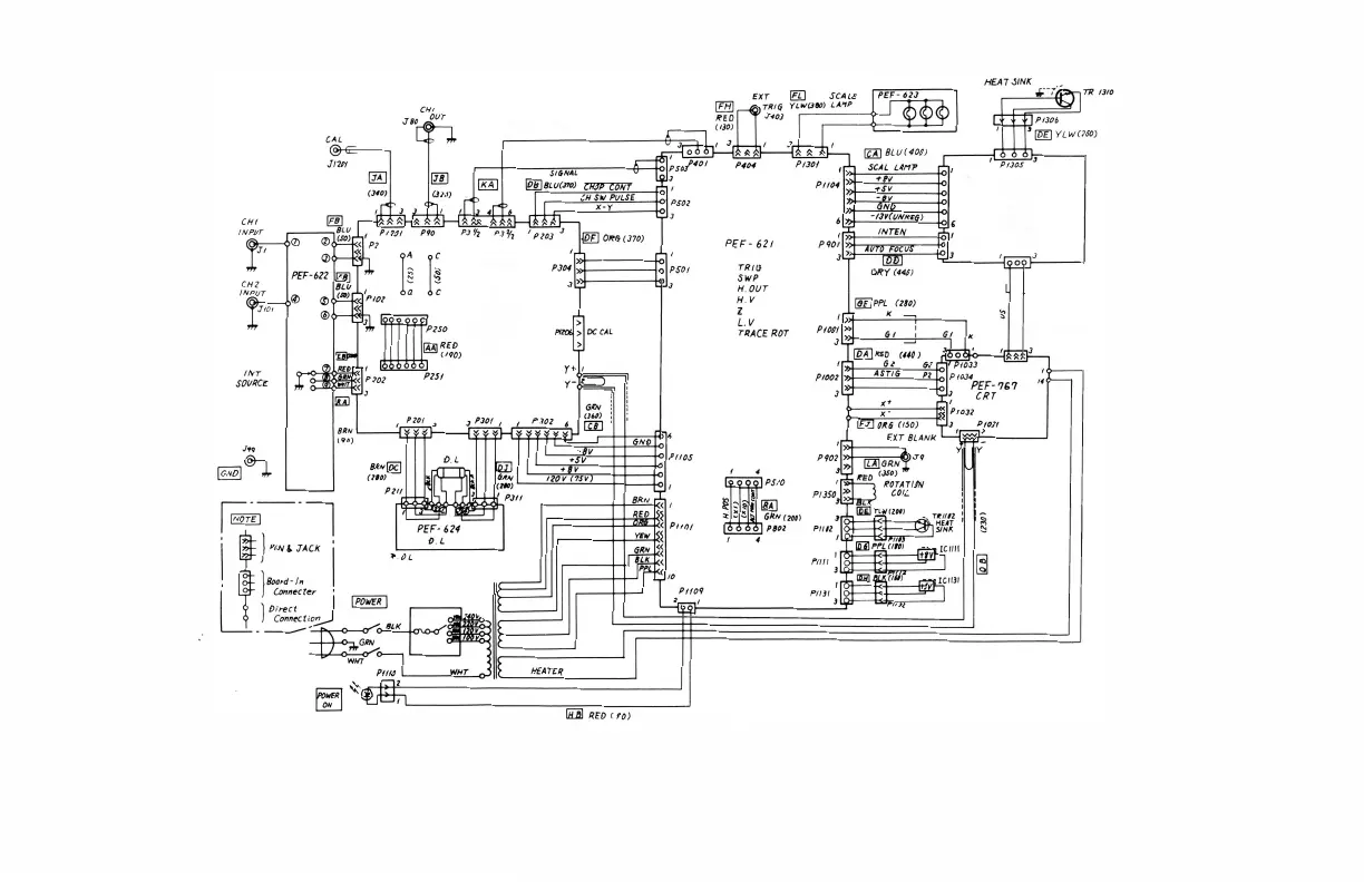
WIRING DIAGRAM
43