EasyManua.ls Logo

HOLEMAKER HM40AD - Wiring Diagram

HOLEMAKER HM40AD
19 pages
Print Icon
To Previous Page IconTo Previous Page
To Previous Page IconTo Previous Page
Loading...
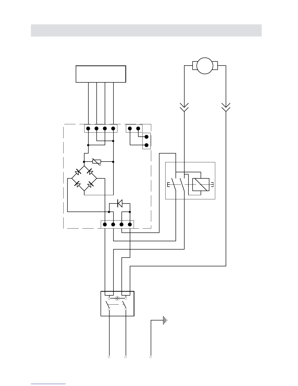
WIRING DIAGRAM
19
OUTIN
BLUE
MOTOR
BLACK
BLACK
BLUE
B1
V1
S2
S1
S3
D1
S4
SW30
WHITE
BROWN
BLACK
BLUE
BLUE
BLUE
BLUE BROWN
BROWN
MAIN SWITCH
GREEN
BLUE
BLACK
L
N
PE
2
3
5
6
1
4
ELECTROMAGNETIC BASE
23
1314
24
4
1
2
3
1
1
1
MAGNET

Related product manuals