EasyManua.ls Logo

HOMCOM A91-134 - Page 20

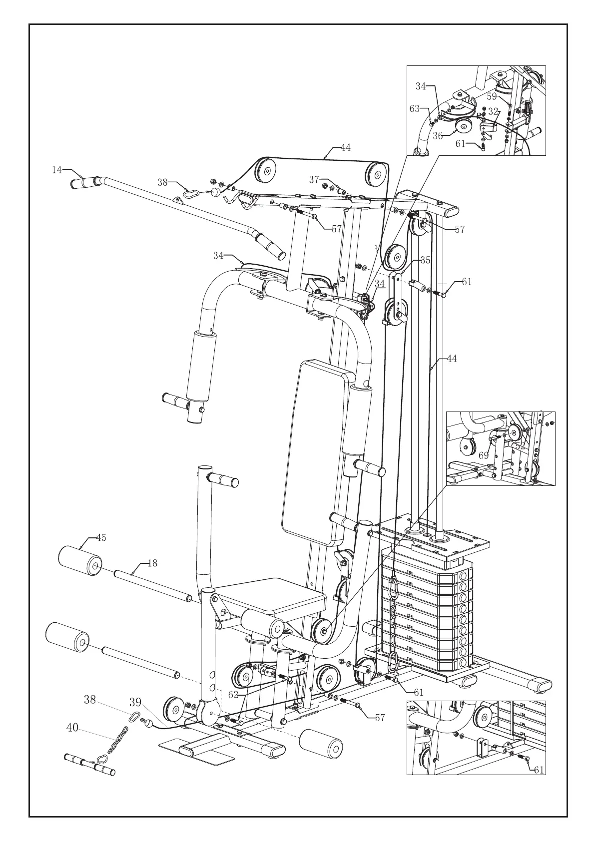
HOMCOM A91-134
23 pages
Print Icon
To Next Page IconTo Next Page
To Next Page IconTo Next Page
To Previous Page IconTo Previous Page
To Previous Page IconTo Previous Page
Loading...
~ 15 ~

Related product manuals