EasyManua.ls Logo

Honda Electronics HD1200 - Page 9

Honda Electronics HD1200
44 pages
Print Icon
To Next Page IconTo Next Page
To Next Page IconTo Next Page
To Previous Page IconTo Previous Page
To Previous Page IconTo Previous Page
Loading...
9
7) Wirings for RS232C 115,200bit/sec 8bit Parity/none
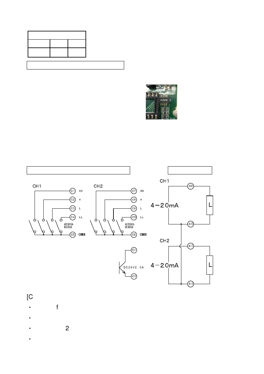
Setting of the dip switch (SW1)
Setting of the terminating resistance of RS-485 and Profibus
RS-485: 3 and 4 of SW1 should be ON.
Profibus: 1 and 2 of SW1 should be ON.
In case the multiple main units are connected, the terminating resistance Rt
(100 ohms) of the main unit which is farthest from the host computer must be
ON and those of others must be OFF.
1 and 2 of SW1 or 3 and 4 of SW1 must be ON or OFF at the same time.
ALARM SW (Relay contact output) 4-20mA output
[Caution]
Rating of ALARM output is 250 VAC 5A or 30 VDC 5A.
Rating of Pulse output is 24 VDC 2.0A.
A10 and A12 of 4-20mA are connected inside.
Permissible load resistance and resolution of 4-20mA output:
600 ohms or less and 1/4000
RS232
GND
TX
RX
A2 A3
A4
COMMON
COMMON
10
AC250V5A AC250V5A
DC30V5A DC30V5A
11
12
10
11
12