EasyManua.ls Logo

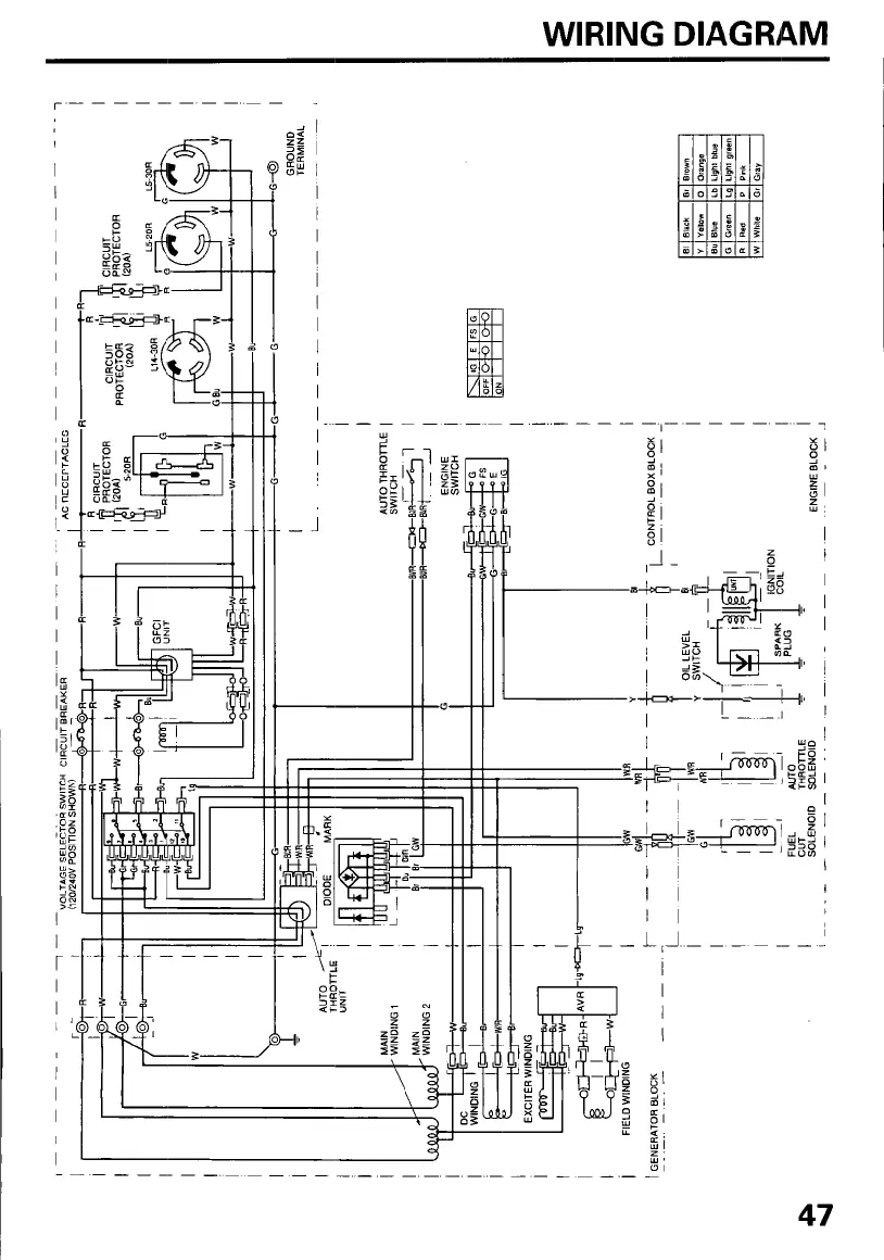
Honda EB3500X - Wiring Diagram

Honda EB3500X
60 pages
Print Icon
To Next Page IconTo Next Page
To Next Page IconTo Next Page
To Previous Page IconTo Previous Page
To Previous Page IconTo Previous Page
Loading...
t
I
I
I
I
I
I
I
I
I
I
I
I
I
I
!
I
I
I
I
I
I
I
Ir
w-h
-BY