EasyManua.ls Logo

Honda EX5D - Remote Control Kit

Honda EX5D
54 pages
Print Icon
To Next Page IconTo Next Page
To Next Page IconTo Next Page
To Previous Page IconTo Previous Page
To Previous Page IconTo Previous Page
Loading...
36
HONDA EX4D/5D (E) 36ZC8625 -36-
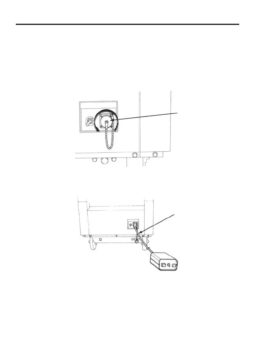
10. REMOTE CONTROL KIT
Remote Control Kit
(Installation)
Remove the cap from the 7-pin connector on the generator maintenance
cover, and connect the 7-pin connector of the remote control switch box
cable there.
CAUTION: Be sure to install the cap on the connector when the remote
control kit is not used.
CAUTION:
Do not pull on the remote control cable with excessive force when
disconnecting it from the connector.
Do not leave tools, parts or other objects on the remote control
cable or move things over it.
Do not direct jet water to the remote control box.
7 PIN CONNECTOR
REMOTE CONTROL CABLE
EX4D_5D_EN.book Page 36 Wednesday, April 8, 2009 3:31 PM

Related product manuals