EasyManua.ls Logo

Honda EX5D - Page 48

Honda EX5D
54 pages
Print Icon
To Next Page IconTo Next Page
To Next Page IconTo Next Page
To Previous Page IconTo Previous Page
To Previous Page IconTo Previous Page
Loading...
44
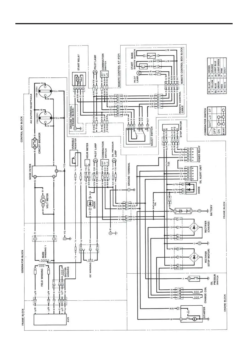
HONDA EX4D/5D (E) 36ZC8625 -44-
GV type
EX4D_5D_EN.book Page 44 Wednesday, April 8, 2009 3:31 PM

Related product manuals