EasyManua.ls Logo

Honeywell T841A - Page 5

Honeywell T841A
12 pages
To Next Page IconTo Next Page
To Next Page IconTo Next Page
To Previous Page IconTo Previous Page
To Previous Page IconTo Previous Page
Loading...
T841A HEATING-COOLING THERMOSTATS
L1 L2
(HOT)
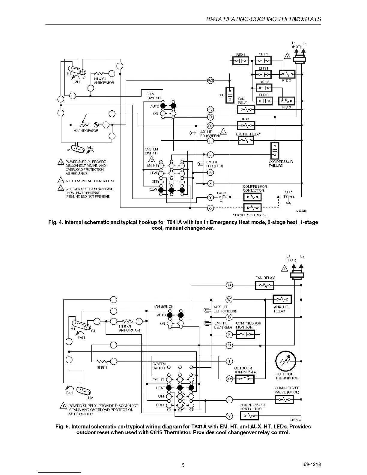
Fig. 4. Internal schematic and typical hookup for T841A with fan in Emergency Heat mode, 2-stage heat, 1-stage
cool, manual changeover.
L1 L2
(HOT)
Fig. 5. Internal schematic and typical wiring diagram for T841A with EM. HT. and AUX. HT. LEDs. Provides
outdoor reset when used with C815 Thermistor. Provides cool changeover relay control.
5
69-1218

Related product manuals