EasyManua.ls Logo

Horn Tools Log Splitter - Page 2

Horn Tools Log Splitter
16 pages
Print Icon
To Next Page IconTo Next Page
To Next Page IconTo Next Page
To Previous Page IconTo Previous Page
To Previous Page IconTo Previous Page
Loading...
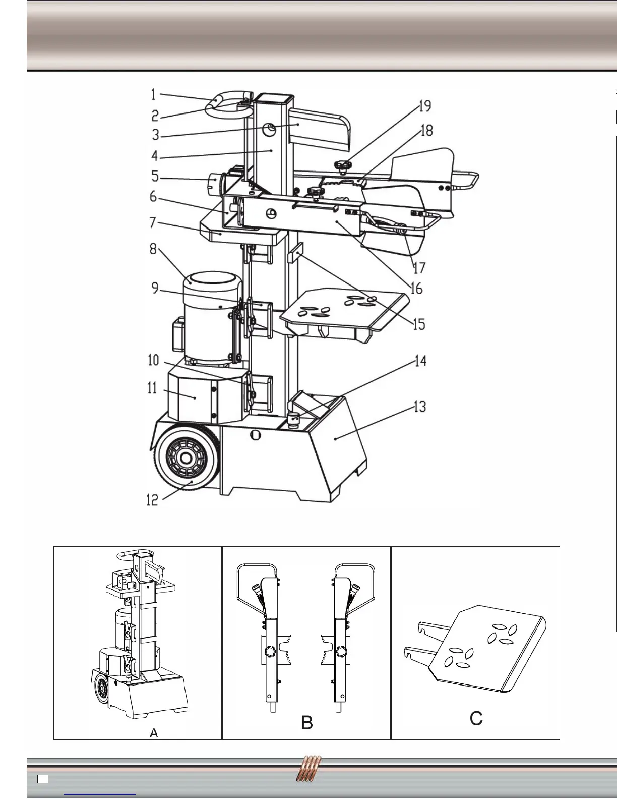
SPARE PARTS LIST
Item ID No. Description Quantity Item ID No. Description Quantity
1 1167101 Log support 2 1 39 1167139 Bolt M10 x 30 4
2 1167102 Circulate stem 2 40 1167140 Double Steel Wire Hoop 15-26 4
3 1167103 Screw M6 x 20 4 41 1167141 Epispastic’s Oil Pipe 1
4 1167104 Washer 6 17 42 1167142 Pump Oil Ingoing Spigot 1
5 1167105 Armguard Enclose 2 43 1167143 Gear pump 1
6 1167106 Armguard Cover, Ø 22 2 44 1167144 Spring Washer 8 6
7 1167107 Manipulative Armguard 2 45 1167145 Inner Hexangular Screw M8 x 35 4
8 1167108 Right Armguard Hold assembly 1 46 1167146 Annular High Pressure oil pipe 3 1
9 1167109 Locknut M6 5 47 1167147 Valve Pipe Oil Spigot 2
10 1167110 Star Model Armguard 2 48 1167148 Valve Oil Out Spigot 1
11 1167111 Clamp Timber Claw 2
2 49 1167149 Quadrate Cover 1
12 1167112 Left Armguard Hold Assembly 2 50 1167150 CA Valve 1
13 1167113 Armguard Handle Pin 2 51 1167151 Washer groupware 20 6
14 1167114 Thin Nut M8 2 52 1167152 Valve Stem 1
15 1167115 Washer 8 10 53 1167153 Subulate three Passage 1
16 1167116 Bolt M8 x 45 2 54 1167154 Annular High Pressure oil pipe 1 1
17 1167117 Adjustable Lever 1 55 1167155 Annular High Pressure oil pipe 2 1
18 1167118 Clip, Ø 3 2 56 1167156 Three Passage Nut Cap 1
19 1167119 Locknut M8 4 57 1167157 Bolt M8 x 25 2
20 1167120 Clamp Timber Claw 1 1 58 1167158 Bolt M6 x 30 1
21 1167121 Four Star Armguard 1 59 1167159 Pump Jacket 1
22 1167122 Quadrade Cover 1 60 1167160 Wheel 2
23 1167123 Nut Cap M8 1 61 1167161 Snap Washer - Shaft, Ø 16 2
24 1167124 Tense Pole 1 62 1167162 Screw M6 x 16 4
25 1167125 Short Axis d 1 63 1167163 Locknut M10 10
26 1167126 Snap washer - shaft, Ø 22 4 64 1167164 Oleaginous Cover 1
27 1167127 Above Slip Plank 1 1 65 1167165 Lock Handle 6
28 1167128 Above Slip Plank 4 1 66 1167166 O- Ring 32 x 3,55 1
29 1167129 Inner Hexangular Screw M6 x 16 2 67 1167167 Bolt M10 x 35 6
30 1167130 Locknut M4 2 68 1167168 Wheel Cover 2
31 1167131 Above Slip Plank 2 1 69 1167169 Bolt M16 x 25 1
32 1167132 Above Slip Plank 3 1 70 1167170 Washer Groupware 16 1
33 1167133 Inner Hexangular Screw M6 x 10 2 71 1167171 Machine Shelf 1
34 1167134 Armguard Hold Limitative Plank 2 72 1167172 Nether Axis 1
35 1167135 Thin Nut M16 1 73 1167173 C3 Oily Vat 1
36 1167136 Screw M4 x 6 2 74 1167174 Slip Plank 4
37 1167137 Motor 1 75 1167175 Knife Rest Pipe 1
38 1167138 Washer 10 32
2 15
1
1.1