EasyManua.ls Logo

Hotpoint FFLAA58WDG - Wiring Connections; Component Values

Hotpoint FFLAA58WDG
18 pages
Print Icon
To Next Page IconTo Next Page
To Next Page IconTo Next Page
To Previous Page IconTo Previous Page
To Previous Page IconTo Previous Page
Loading...
11 of 18
Indesit Company
Service Manual UK English
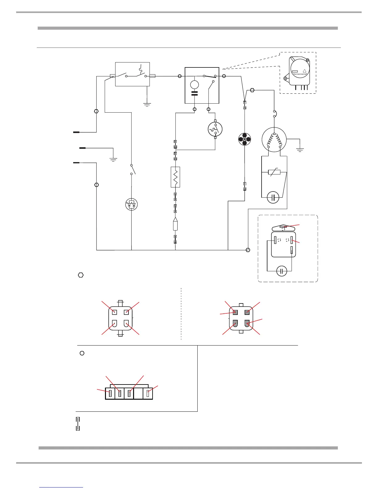
WIRING CONNECTIONS - BLACK TIMER - TMDJX06ZR1
6(H)
L
Earth
Yellow/Green
Yellow/
Green
Yellow/Green
Chassis
Chassis
Chassis
Brown
Brown
CONNECTOR BLOCKS LEGEND
PTC START DEVICE WIRING
сDƵůƟǁĂLJůŽĐŬŝŶ&ƌĞĞnjĞƌZĞĂƌtĂůů
Blue to
Mains
ŽŶŶĞĐƚŽƌ
ϰǁĂLJ
White to
DƵůƟǁĂLJ
ůŽĐŬн
Timer 4
Blue
Blue
Blue
Brown
Brown
White
White
'ƌĞLJYellow
ůĂĐŬ
ůĂĐŬ
Blue
Red
Blue
Blue
Component Values:
dŝŵĞƌDŽƚŽƌ;ůĂĐŬďŽĚLJͿсŝŶƚĞƌŶĂůůLJĐŽŶŶĞĐƚĞĚǁŝƚŚ
ƐĞƌŝĞƐĐĂƉĂĐŝƚŽƌĐĂŶŶŽƚďĞŵĞĂƐƵƌĞĚĂƐĂƌĞƐŝƐƚĂŶĐĞǀĂůƵĞ
Defrost dŚĞƌŵŽƐƚĂƚ;ŽƉĞŶĂƚнϭϲĐůŽƐĞĚĂƚͲϮϮͿ
ǀĂƉŽƌĂƚŽƌ,ĞĂƚĞƌсϯϬϬKŚŵƐ
ǀĂƉŽƌĂƚŽƌ&ĂŶDŽƚŽƌсϲϯϴKŚŵƐ
ŽŵƉƌĞƐƐŽƌZƵŶtŝŶĚŝŶŐсϮϲϳKŚŵƐ
ŽŵƉƌĞƐƐŽƌ^ƚĂƌƚtŝŶĚŝŶŐсϮϵϵKŚŵƐ
ĂƉĂĐŝƚŽƌсϯϱƵ&
ŽŵƉƌĞƐƐŽƌdLJƉĞс'DŶŚƵŝDĞŝnjŚŝWϴϬ,ϭz
WdсYWϮͲϭϱDϯ
ŽŵƉƌĞƐƐŽƌKǀĞƌůŽĂĚсZϭϯEϲϭϭ
Thermostat
KŶKī
Thermal
&use
ϳϯ
Defrost
Eǀaporator
Heater
ϯϬϬŽŚŵƐ
Eǀaporator
&an Motor
Defrost Timer
Compressor
KǀĞƌůŽĂĚ
CapaĐitor
PTC Start
ĞǀŝĐĞ
Light
SwitĐh
N
сϰtĂLJŽŶŶĞĐƚŽƌĂƩĂĐŚĞĚƚŽDĂŝŶƐĂďůĞ
Blue to
Compressor
&ĞŵĂůĞŽŶŶĞĐƚŽƌͲǀŝĞǁĨƌŽŵƐŽĐŬĞƚƐŝĚĞ
White
to O/L
White to Defrost
dŝŵĞƌŽŶŶĞĐƚŽƌ
tŚŝƚĞ&ƌĞĞnjĞƌ
DƵůƟǁĂLJŽŶŶĞĐƚŽƌ
Blue
Mains Input
Brown
Mains Input
сϰtĂLJŽŶŶĞĐƚŽƌůŽĐŬĨŽƌĞĨƌŽƐƚdŝŵĞƌ
Run CapaĐitor
Blue to Light
ůƵĞƚŽ&ƌĞĞnjĞƌ
DƵůƟǁĂLJ
ŽŶŶĞĐƚŽƌ
DĂůĞŽŶŶĞĐƚŽƌͲǀŝĞǁĨƌŽŵƉŝŶƐƐŝĚĞ
Brown to
Thermostat
ůƵĞƚŽWd^ƚĂƌƚĞǀŝĐĞ
Timer Terminal
Ϯ;ƚŽĞĨƌŽƐƚ
Thermostat)
dŝŵĞƌdĞƌŵŝŶĂůϭ
ƚŽDƵůƟǁĂLJďůŽĐŬ
(Heater)
Timer Terminal 4
ŽŵƉƌĞƐƐŽƌK>Θ&ĂŶ
dŝŵĞƌdĞƌŵŝŶĂůϭ
(to Thermostat)
3412
M
ϭ
ϭ
ϯ
ϯ
Ϯ
Ϯ
4
4
4(C)
Defrost
Thermostat
;ŽƉĞŶĂƚнϭϲ
ĐůŽƐĞĚĂƚͲϮϮͿ
TMDJX06ZR1
Interior
Lamp
LED