EasyManua.ls Logo

HP 3150 - Page 228

HP 3150
272 pages
Print Icon
To Next Page IconTo Next Page
To Next Page IconTo Next Page
To Previous Page IconTo Previous Page
To Previous Page IconTo Previous Page
Loading...
226 Parts and diagrams
EN
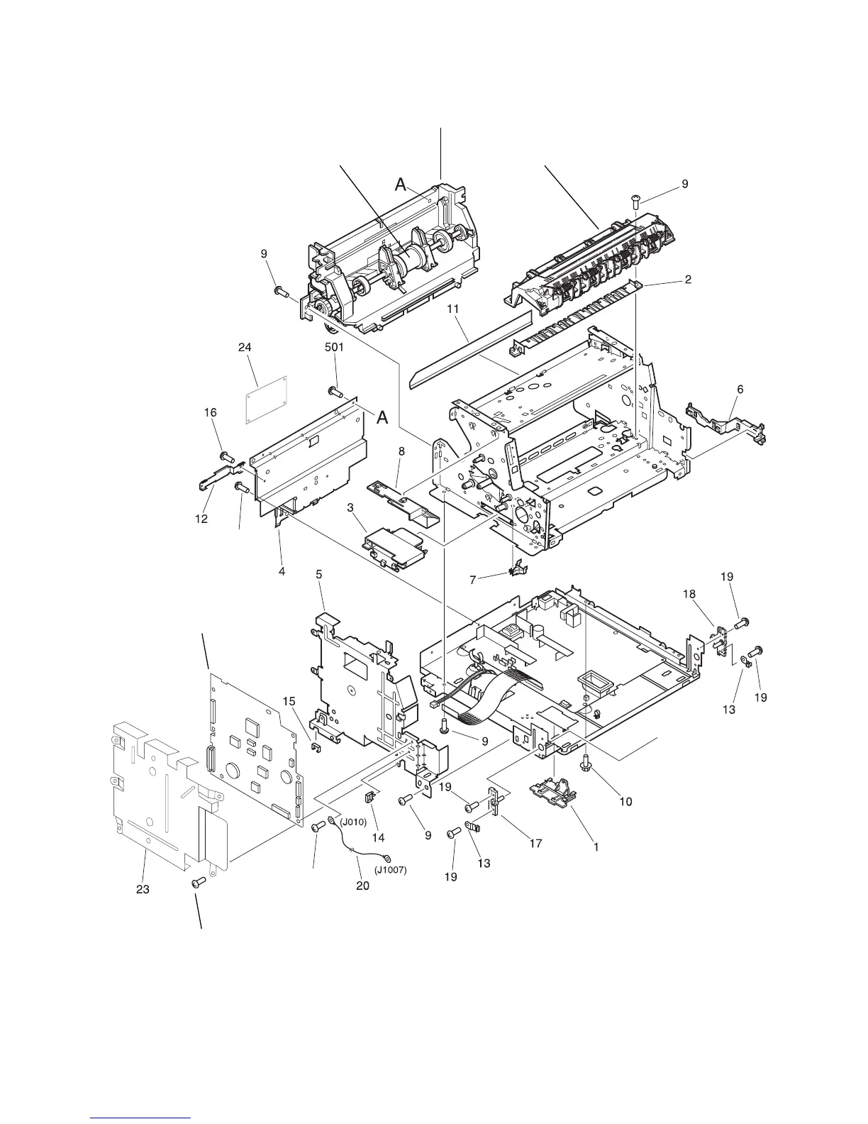
Figure 92. Internal components (1 of 3)
RG5-3484-070CN
RG5-3474-020CN
RG5-3486-040CN
25
22
21
16

Related product manuals