EasyManua.ls Logo

HP 3245A - Page 49

HP 3245A
59 pages
Print Icon
To Next Page IconTo Next Page
To Next Page IconTo Next Page
To Previous Page IconTo Previous Page
To Previous Page IconTo Previous Page
Loading...
ENGINEERING
RESPONSIBILITY
~
SEPIA
~
c-
03245
-
66511
- 1
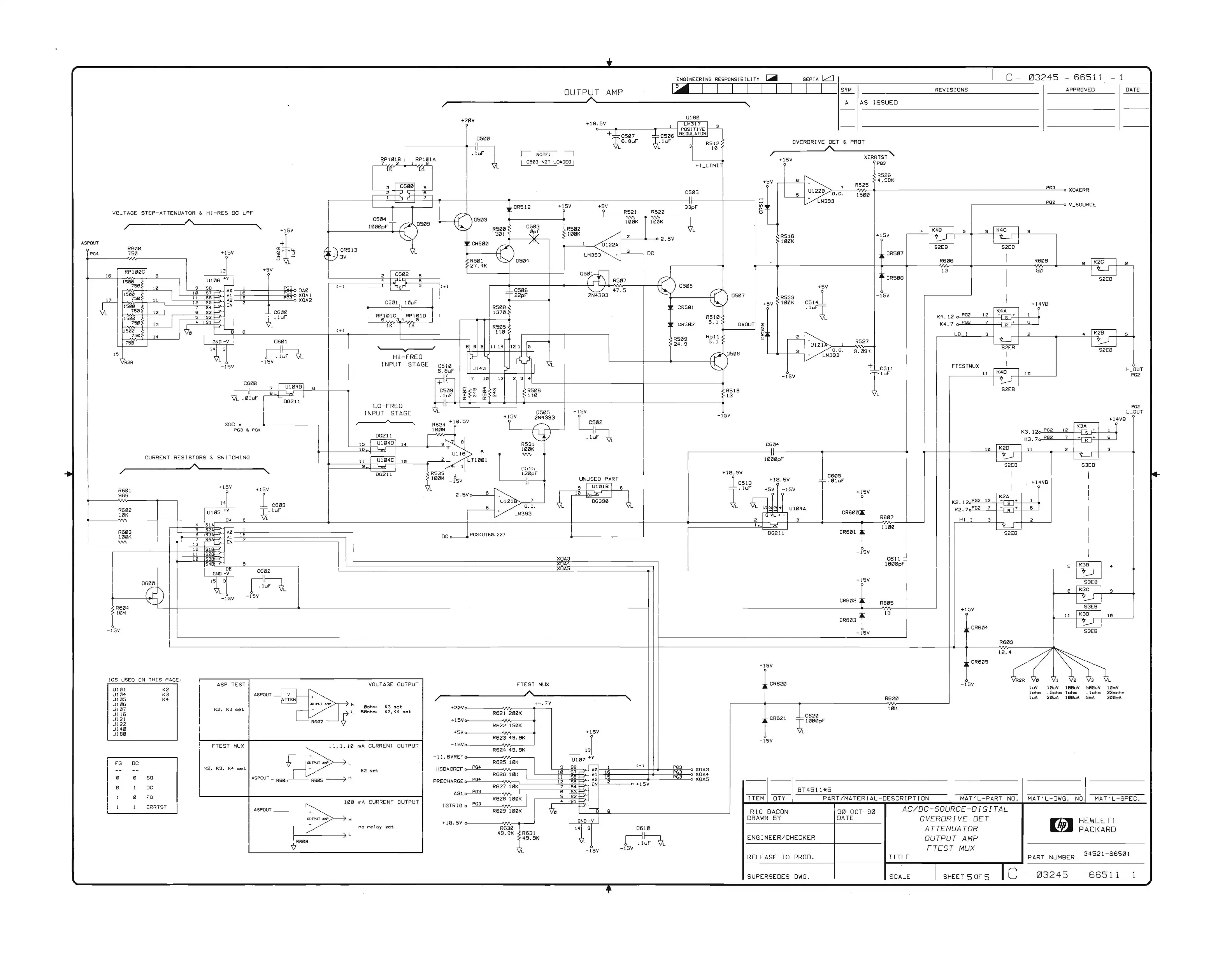
OUTPUT
AMP
~19_~~~
__
~~
__
~~
__
~I
__
~~I
__
~I
__
sYM
I
_______________
R_EV_I_S_IO_N_S
____________
__
APPROVED
DATE
/~------------------------------JI'~------------------------------~,
A
AS
ISSUED
VOLTAGE
STEP-ATTENUATOR &
HI-RES
DC
LPF
r-----------~I'~------------~,
/ ....
+20V
?
C500
RPHllB
1
7 2
RPll!llA
1 8
fK
.:~
>7L
I
NOTE:
I
~503
NOT
LOAD~
+IB.5V
+~-bIC51'17
6.SuF
L
UIB0
:b
C506
I
REGULATOR
I
T.luF
R512
'IL
3
11'1
3
051111il
5 I
~--:2:;--f-,...
",-\----,6~
C50S
r-----------I-~I~f---'~
L_f_~7~~~----_f_----------~----------------------------------------------~
'"
T
--«:
051il3
10111K
10111K
~L
1
I
00111pF
051119
C503
+15V
R51110
~
f
RSI1I2
[I
cs~41(J
,.CR512
+15V
+fLV
____
--.R5,,21\r1
__
~RV\l5~~2---3_,.~lpF
301
",r:;;.
10111K
L
I
~!
'-
/1
" I - f-----'2'-----+----<l 2 S \I
A5POUT
1:.L
I"
CR50111
"+-
__
->..1
__
< UI22A
~C
4
~65~0
m
u..
CRSI3
VI
~
~
I
I
IV
+3
1
1
SV
~
l
~
J
311
L R501
051il4
I
LM3S3
~f-----'3'------'1
DC
+511
27.
4K
1
,
RP
l1il0C
'
13
I 2
051il2
OS0
16
8 6
[
I
S007S~
[I
U
106
:.-
4 J-' 0 Lr.-LI-.;;S;-----'
l
Ull!
I
LI
.1~~-+Ig'S8;-.,
~
A0f--1"'~,--------+----;~'**;.()
OA0
(-)
I
L:'::'.b,-,-+---"S'---'I
1(+)
[l
17
:
:::50
I I I :
~
, U
§~j
~~
I
~
PG3
~g!~
tl
_____
C_50_1-l11
10pF
t!1
L
7S0
12 6
S3
r-r
C61il1il
1
1500
1 I
~
~i
~
~L'
luF
iL-_R-'P6'-'1V'12IV"lICr'3,..,.4'vRVPIrI"'-~_ID____'
I
I
750
13
VI
f K T
ir<
IS~I!
~0
~~=_~~t-~8~------~~----------~~(+~)_r-------------t=1========~----~,
750
14
I
'-
C508
~22pF
R50S
1371'1
R50S
i
Itli:l
9 III
14
12 I
15
RS07
47.5
2N4393
051'16
~t-----H
CR51'11
CR51'12
R51'19
24.9
R510
5.1
R511
5.1
1-
7S
"'I!'I'r-->-t-'-'-------'
L
-l-"~r'IOL"-3'11'----';
H~:
~L
'~--H-I"":"...F-R-E-D-~'
B~
I 5
~R2R
'V1
_
IS11
-1511
INPUT
STAGE
~>
C5
HJ
U
140
>
\.t:::,
~L
---------------------------------------------
OVERDRIVE
DET
&
PROT
~--------~I'~----------~
/ +15V
XERRTST
,
+5V
~
PG3
R526
4.99K
.--li-----'s"---j~
7
I -
_~
R525
PG3
5
~UI228~O~.~C.~--~15VIil~0~----------------------------------------------~~~XDAERR
~
+
LM3S3
PG2
,-------------------~~_oV_SDURCE
RSI6
100K
+ISV
4 I
K48
r-f1~5"-1r---"-S
_f--IK-",4C
,---/1
__
><-8
____
----,
I~
S2EB S2EB
CR507
~----~------------------------+_+_----~--------VRV6~1'I6----_+---------I------~R~6~0-B--
______
~B~I_K~2C
I 9
13 I
51'1
I 52EB I
051'17
DADUT
OSIi:l8
I
~5V
~1fl
+5V
~~~~~
c5141
_
I'"l
~
1
~~~>
__
~I
__
_vR5~2r7~
L
___<i>__+_~3"---j1
~
~D.C.
9.09K
V LM393
CRSI'I8
-15V
!
-15V
-::.L
C511
TluF
I
K4A
1+
I;VB
K4.12
PG2
12
-~+
I
PGZ
7
-~+
6
K
4.
7
O--:'-"-"----'--f--j
R
Hi----"---'
I
LO
I
.--li---~2
______
~
____
~~_+-IK~2B
I 5
~
I
':..-J
I
S2EB S2EB
I
FTESTMUX
,
C60B
d
!----i;7,--+___,
IU
1Iil,4_
8
-t-
L.."s'----t-_----;
, 8
"'"
i
~
6'1~
4-7---1-0t--1-3t-1-2+-3+-4~
______
~--------------------_f_--------------------~
CSIil9
I
~ ~
;:;
OJ
I RS06
RSI9
~L
11
K4D
I
10
,---------''"'--+~':-..J
52E8
I
I
I
L . I'll
uF
I
DG21
I
LO-FRED
XOC
0-0
-1
__
------,1,
II
11L-/--7-;0-----,1
N-,PU
T A
ST
AGE"
fJl
UF
i
lQ
C\I
iQ
~
1
110
0SIil5
I
+r
c
I
02
II
13
+IS11
2N4393
-15V
PG2
L_OUT
PG3
~
PG'
DG211
15
Ullil401
14
t6
L...,.J
I
I
I
CURRENT
RESISTORS & SWITCHING
I
~------
.....
I~I
--,.-,U112I4CI
II!I
~----~
__
----J/\~------
____
~
/ ,
9
L...,.J
I
~
R60:
866
I
t--~Vv\~-.--TI
---'1
R602
10K
I
R603 I
i
11'I0K
DG211
+15V
1
C6<,)3
8
~:
luF
J
~~~
~!f=lj~t============
12
SIIlr-'"
==tl
I
I
,-------'----+--+-~II
5~2fl__'"
...
J I I
10
S3~
I
i
I
1
~
R6i'J4
1
10M
-!SV
ICS
USEO
ON
THIS
PAGE:
UU'II
K2
UI12I4
K3
U"!l5
K4
U
"'16
Uli'l7
U!!6
UI21
UI22
U141'1
UI811l
FG
OC
o 0
SO
i'I 1
OC
!
i'J
FG
ERRTST
I
ASP
TEST
K2.
K3
set
FTEST
MUX
K2.
K3.
K4
set
ASPOUT
-@-1d2J;
TTE
+
O~TF't.T
"MP
H
R61!J7
t L
VOLTAGE
OUTPUT
0ohm:
50ohm:
K3
set
K3,K4
set
~
'1'
I.
Ie
mA
CURRENT
OUTPUT
~
O~TPUT
....
L
K2
set
ASPOUT
-
R6~n~
R61!J5
-----7
H
mA
CURRENT
OUTPUT
no
relay
set
RS34 +JI8.5V
~
101ilM
~
C61114
+14VB r
K~;.I
~:-':-"~"':~-'I-"'~-+I--1=ffi:
I
~
t
~
I
R531
.luF
L
3 +
1t?l0K
U 116
>----'6'---
___
-----¥~--~
r---------------~II~--------~--------------~
I
.--t
__
+
________
~I'-'I!I'---II~""K.:;:2-=cD=----,
1\
2 1 r-1-1-"3'--------+
':..-J
I
~
I
~1-4TlI2l01
RS3SV"1
1[
101ill-l
-1511
L
I
UNUSED
PART
I
9 I
UII11IB
I 8
I.----.R~I!I
I I I
~L
DG390
~L
I
1000pF
+IB.5V
1
CSI3
+18.5V
T
L
'
luF
L
+SV
'SV
7l
"'
;::1~
.r
UI04A
1
C6~5
l1IluF
I +!5V
K2.12
PG2
12
K2.7
PC2
7
52E8
S3E8
+14118
K2A
6
,
I""
-,
I
"'''.
""
~----------------1~~~""'=~~~----~~--------~1-----~1~!1il~0--~--~
DG211
CR601 t
HI
!
3
"L...J
52EB
2
DC~--~P~G~3~(U~I~6~1!~.2~2~)----------------___<i>__----------------~
XOA3
!
I<
A4
)(
A
FTEST
MUX
r------------------J/\~------------------~,
/
....
+-.7V
+2eV~--------~v-----_---,
R62! 200K
+15V~--------~I\r-----~
R622 150K
+SII~--------~I\r-----~
R623
49.
SK
-lSV~------~~~-----'
R624
49.
9K
-!1.6VREF~------~~~-----,
R625
10K
HSOACREF~~P~G4~----~I\r---,
R626
10K
I
PRECHARGE
PG4
R627 10K
A31~~PG~3~--~~~
R628 !00K J
I G T
RIG
C>--'-P"'G3"-
____
~I\r----'
,1,
R629 100K
VI!I
+IS.5V~--------~I\r-~---'
R631'1
49.9K
R63!
49.9K
L
9
I~
II
12
7
6
5
UI07
+V
sa
,---
I
(-)
PG3
57
-='
A~
hl,..6~--------H
......
---E:PG"'3i--o
XOA3
S6
--r
AIlS
PG3
XOA4
S5
--r
A2
2
XOAS
54
-r
EN
1--"------0
+ 1 S V
53
=i:
52
--r
8
-1511
+15V
~"
CR620
~"
CR621
-!511
-----
----
lC62e1
I I
001!lpF
BT4511*5
+15V
-fsv
1
C611
1000
P
FT
~
CR60S
-!5V
R620
10K
5 !
K3B
.--1
1
1---,-4
____
~
I~I
S3EB
8 I
K3C
,-\Ir-"-s
____
-+
I
':..-J
I
S3EB
II
I
K3D
,-If-----'I-"~-----i
I~I
S3E8
R609
12.4
,~I~
L
~~
'~I
~2
)3
~l
luV
10uV
100uV
S00uV
10mV
lohm
.Sohm
lohm
.lohm
33mohm
luA
Zl!luA
lal!JuA
SmA
31!JI!JmA
1--------
ITEM
DTY
PART/MATERIAL-DESCRIPTION
t-1AT'L-PART
NO.
t-1
AT'
L
-OW
G .
NO
j
---:-:M:-:-A-=T-:-'
:-L--
S:::CP=CE=C""'.-
RIC
BACON
DRAWN
BY
ENGINEER/CHECKER
RELEASE
TO
PROD.
SUPERSEDES
DWG.
30-0CT-90
DATE
AC/OC-SOURCE-DIGITAL
TITLE
SCALE
OVERDRIVE
OET
ATTENUATOR
OUTPUT
AMP
tTEST
MUX
SHEET
5
Ot
5
PART
NUMBER
c-
03245
HEWLETT
PACKARD
34521-66501
-
66511
- 1
-
Scans by Artekmedia => 2010

Related product manuals