EasyManua.ls Logo

HP 3455A - Page 135

HP 3455A
249 pages
Print Icon
To Next Page IconTo Next Page
To Next Page IconTo Next Page
To Previous Page IconTo Previous Page
To Previous Page IconTo Previous Page
Loading...
Model 3455A
SERVICE GROUP
B
Section VIII
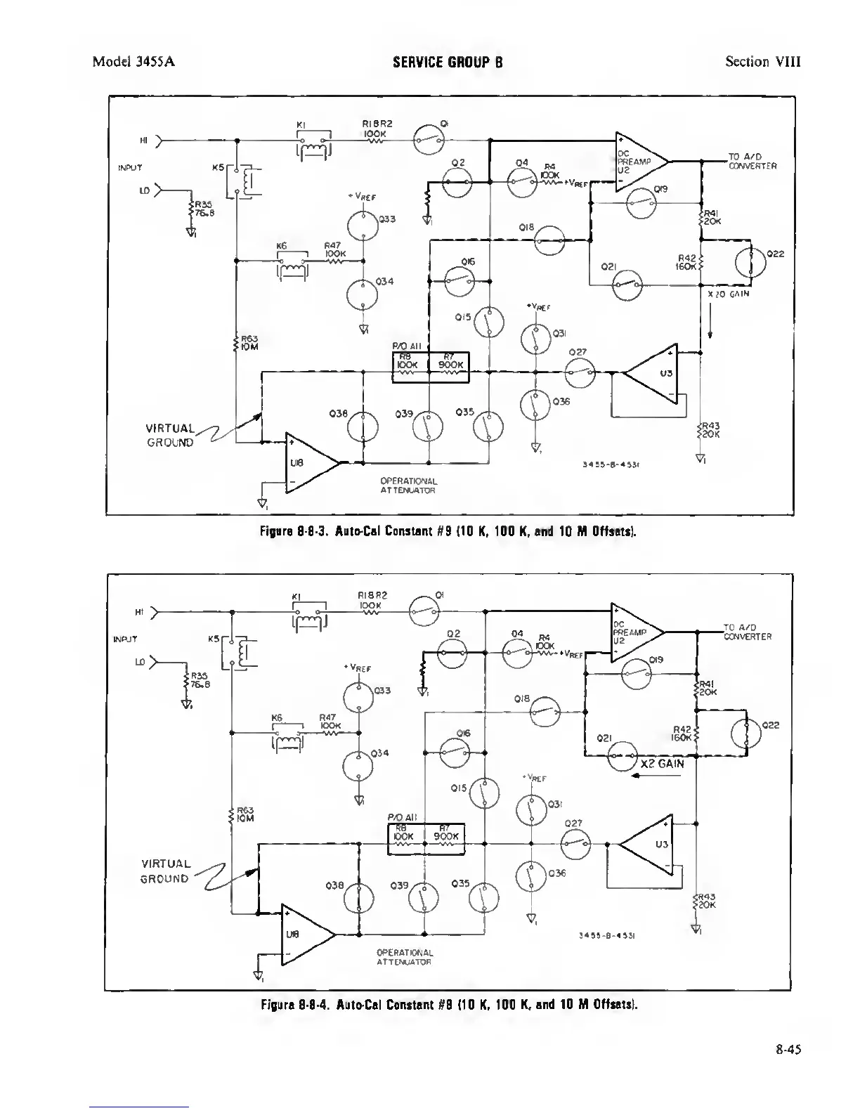
Figure
B-B-3.
Aute-Cal Contunt
US {10 K, 100 K. aid 10 M Offsau).
Figure
0
0-4.
Auto-Cel Cenetant #8 (10 K. 100 K,
and 10 M Offtets).
8-45