EasyManua.ls Logo

HP 3455A - Page 138

HP 3455A
249 pages
Print Icon
To Next Page IconTo Next Page
To Next Page IconTo Next Page
To Previous Page IconTo Previous Page
To Previous Page IconTo Previous Page
Loading...
Section
Vill
SERVICE GROUP B
Model
3455A
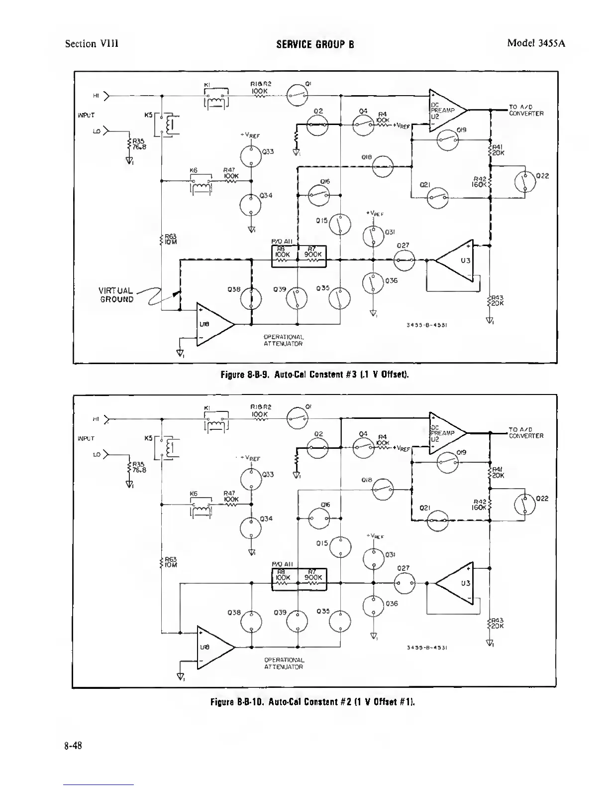
Figure 8-B-9.
Auto-Cel Conttent
#3
(.1 V Offset}.
Figure B-B-10.
Auto-Cel
ConsUnt #2 (1 V
Offset
#1}.
8-48