EasyManua.ls Logo

HP 416A - Page 107

HP 416A
109 pages
Print Icon
To Next Page IconTo Next Page
To Next Page IconTo Next Page
To Previous Page IconTo Previous Page
To Previous Page IconTo Previous Page
Loading...
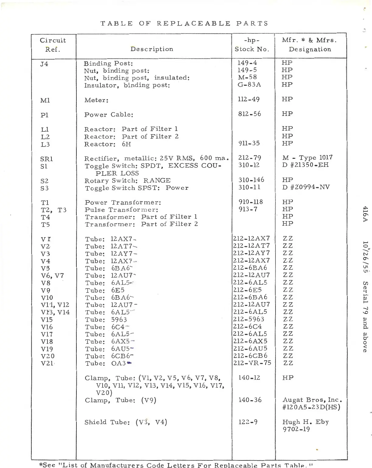
TAB
LE
OF
REPLACEABL
E
PA
RTS
.----------.-----
-----------
-
--
----
-..--------
y
--
--
-
----
---,
Circui
t
Ref.
Descr
ipt
i
on
-hp
-
Stock
No.
I
Mfr.*
& M
frs
.
D
esig
na
ti
on
1-------1-------
-------------
-+----
-
-
--1--~----
----l
J4
M l
Pl
Ll
L2
L3
SR l
Sl
S2
S3
Tl
T2
,
T3
T 4
T5
vr
V2
·
V3
V4
V5
V6
,
V7
V8
Vr)
Vl-0
vu
~
v12
Vl3,
Vl4
Vl5
Vl6
Vl7
Vl8
Vl9
V20
V21
B i
nd
in g
Post:
Nut
, b
inding
post
:
Nu
t,
b
indi
ng
post,
i
nsulated
:
Insu
lat
or
,
binding
post:
Mete
r:
Power
Cable:
R
eact
o
r:
Par
t
of
Filte
r 1
R
eact
o
r:
Part
of
Filt
er
2
Reac
t
or:
6H
Rec
tifi
er,
metallic:
25V
RMS
,
600
ma
.
Toggl
e
Sw
itch:
SPDT
, E
XCESS
CO
U -
PLER
LOSS
Rotar
y
Switch:
R
ANGE
Toggle
Switch
SPST:
Power
Power
Transformer:
Pulse
Transforrner:
Transfor
mer:
Par
t
of
Filter
1
Transformer:
Part
of
Filte
r 2
Tub
e:
12AX7
~
Tube
:
12AT7
-
Tub
e:
12AY7
-
Tube
:
12AX7
-
Tube:
6BA6
~
Tube:
1
2AU7
~
Tube
:
6AL5
..,.
Tube
:
6E5
Tube:
6BA6"
-
T
ub
e:
12AU7
-
Tube:
6AL5
~
T
ub
e:
596:>
Tu
be:
6C4
-
Tube:
6AL5
-
Tube:
6AX5
-
Tube
:
6AU5
-
Tube:
6CB6
~
Tub
e:
OA3
Clam
p,
Tube:
(Vl,
V2,
V5,
V6,
V7
,
VS
,
V
lO
,
Vll,
Vl2, Vl3,
Vl4,
VlS
,
Vl6
,
Vl
7,
V20)
Clamp
,
Tube:
(V9)
Shield
Tube:
(v3,
V4)
149-4
1
49
-5
M-58
G-83A
112-49
812-56
911-35
212-79
310-12
310-146
310-11
HP
HP
HP
HP
HP
HP
HP
HP
HP
M -
Type
1017
D
#213
5
0-
EH
HP
D
#2
0
99
4
-N
V
910 -
11
8
HP
913 - 7
HP
HP
HP
212-12AX7
ZZ
212-12
A
T7
ZZ
212-12AY7
Z Z
212-12AX7
Z Z
212-6BA6
ZZ
212-12AU7
ZZ
212-6AL5
ZZ
212-6E5
ZZ
212-6BA6
ZZ
212-12AU7
Z Z
212-6AL5
ZZ
212-5963
zz
212-6C4
ZZ
212-6AL5
Z Z
21
2-6AX5
ZZ
212-6AU
5
ZZ
212
-6
CB6
ZZ
212-VR-
75
Z Z
140-12
140-36
122-9
HP
A
ug
at B
ro
s , I
nc.
#12 0
A5-2
3
D(HS
)
Hug
h H .
Eby
9702-19
*See
"L
i
st
of
Manufacture
rs
Code
Letters
For
Reolaceable
Parts
Tab
l
P..
"
I-'
0
_
,,
N
O'
-
(Jl
(Jl
·

Related product manuals