EasyManua.ls Logo

HP 416A - Page 13

HP 416A
109 pages
Print Icon
To Next Page IconTo Next Page
To Next Page IconTo Next Page
To Previous Page IconTo Previous Page
To Previous Page IconTo Previous Page
Loading...
PROPORTIONAL
PROPORTIONAL
r--
- -
--
--
--
- -
--
--
-
--
-
I
INCIDENT
IODB
I
REFERENCE
9--()4--1
I 75K<
I
TOTAL
-=
I
I
I
I
I
I
AMPLIF
IER
&CONSTANT
VOLTAGE
SOURCE
la
'
V1.V2A
l
KC
FILTER
EXCESS
COUPLER
LOSS
1KC
Fl
LT
ER
SAMPLE
OF
SQUARE
LAW
REFLECTED
AMPLIFIER
AMPLIFIER
CONSTANT
CURRENT
SOURCE
t-----L-----"'
..::-
-:::..-+t-tor-.--;
v 3
--<>4-+
REFLECTED
DETECTOR
REFLECTED
POWER
VOLTAGE
JPROBE
,
__
_
I
""""
75K
I
I
V4
V 2 B
SET
TO
FULL
SCALE
RANGE
SWITCH
L
__
_:
____
_
115/23ov
POWER
50160
"'
SUPPLY
VIB
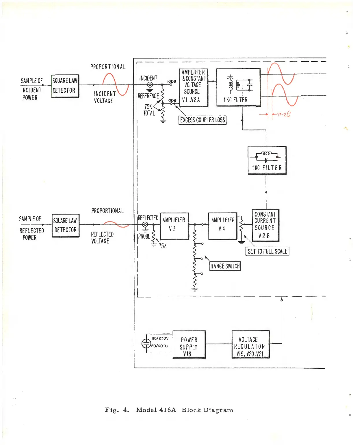
Fig.
4.
Model
416A
Block
Diagram
VOLTAGE
REGULATOR
Vl9,
V20,V21

Related product manuals