EasyManua.ls Logo

HP 6960A - Page 26

HP 6960A
40 pages
Print Icon
To Next Page IconTo Next Page
To Next Page IconTo Next Page
To Previous Page IconTo Previous Page
To Previous Page IconTo Previous Page
Loading...
AI
A4
AS
J2
+
Section
V
WHT-VIO
WHT
-
BLK-
VIO
...
R35
1300
-6.8V
."
J
0
BLK
CRI8
~
r
CRI9~
~
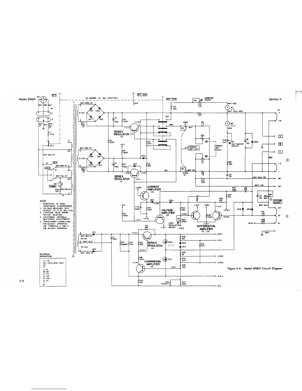
Figure
5-4.
Model 6960A
Circuit
Diagram
;;:
~C4
20
R42
~
10K
cS
HT
-
RED
A
MI
-f1t1,4-
WHT
-BLK-RED
+6.8V
R33
10K
+
1.10
V
+
_~
few
I
:::"C7
~
~
20
10K
0---
[
VOlTAGE
ADJUST
WHT-BLU
J
A3
R31
100
R25
LJ----I-----4~--"---"'N~---oCll:;-
A2
·2700
-0.03V
~
GJ
...
R20,
~cw
;
C8
0-
-
-..,
;:::
~
~CR22
10K
o
VOLT
- METER
150
~
~
I
I
...
CURRENT
ADJUST
LIMIT
----
ADJUST
~
El
I
...
~
__
J
REO
.~RI8
-S
:
33K
J
AMMETER
ADJUST
-6.8V
j
R7
10
R'B
1.8
R9
1.8
.
RI3
220
RIO
1.0
...
R41
270
R22
1
C6
10
LJ
'1+
n
+
l5V
~0
R21
250
R39A
10
R398
10
R27
1000
R29
300
L--
.....
.-
-0.35V
~"'WHT
/
(
I
I
I
ICURRENT I
~ILlMIT
(mA)
I
I
I
~
\
~
1\;"
] ,WHT-VIO
R30
.~33
-+-
..
- _
0.03V
R32
~15_0
---.-
+
1.5
V
,
~CRI6
~.
CRI7
RI9
390
ORN
S2C
0--
BLU
-0.15V
DIFFERENTIAL
AMPLIFIER
I
07.08
\.-
......
---...----~~----------
...
-
...
6.8V
I
I
I
I
I
I
""
I
I
""
I
i
I
I
T
I
R6
I
360
I
CURRENT
R
14
C5
AMPLIFIER"
+
.,.....
IOOO...,.,.,
__
-j<t-9't---,
05
-......
Ir
R5
,
360
RI5
390
-0.4V
R34
430
~
:
RI2
SERIES
~~CR20
300
RF.GULATOR
Z
04
-0.35V
*C9:::~
R26
0082
6.8K
+17.3V
\
....
11.0
V
~~~K
~~CR21
COMPARISON
~
+
0.5V
AMPLIFIER
06
-&6V
+11.2V
L--~--------.+_----_t_------------.-
-
6.8
V
,
R24
VOLTAGE
33K
RII
~
AMPLIFIER
-0.02V
1000 b
03
r:-~'
l-
__
---4\l---=0~.7..:.V_+_6_.8_V
__
~(n\
e
~~~
~
LOAD 0
..
REGULATION
+1.5 V ADJUST - 0.03 V
-I4V
j
-14V
R37
~
RI7
(SHUNT)
>
15
K
SERIES
REGULATOR
+17V
02
+;;:~2
R3
~II
1000
1000
1
P'I
SERIES
-6.5~~
REGULATOR
-
0.7
V
01
~-
__
-+-
___I
+
C3
;::~
IoR4
1000 :
1000
R38
i
f
(SHUNT)
L
-J,...
.....-
__
-4.
....
-14V
+
CI
;;:~500
RI
,
3300
WHT-
ORN-
GY
WHT-ORN-GY
A
R2
7
3900
CR5
CR6
~--+-
.....
_-
.......
-----
.....
CR
..
~.lt-'12'"'t
~
CR4
WHT-BRN-GY _
5
/iCRO
21VAC
r'~./
6
IC~~8
WHT-
BRN -
L--
-+----.j~-_4_-,
GY
+12.4
i
1,8V
0.6AI
__
S2
(SHOWN_'~
36V
~SITI~)_
_ _ _ _
-.=r
J36V
0.3AI
-------+.--W>v-----------,
S2B
WHT-RED-G~
(
~
21
VAC
r
18
J
WHT-RED-GY
rr
20VAC
10
WHT-
BLK
.
~
20
VAC
III
~2
GY
OSI
~
"
R36
WHT-YEL-GY
33K I
WHT-BLK-GY
CI
-C9
CRI-CRI4,CRI6-CR22
DSI
FI
JI,J2
MI,M2
PI,P2
01-08
RI-R42
SI,S2
TI
WI
GY
~
"'-'---<1
WHT-GRN-GY 3
2
..0---'---0--,
I
.~
~
,I
I
I
NOTES
I.
RESISTANCE IN OHMS, I
CAPACITANCE
IN
MICROFARADS
•.
1
2.
VOLTAGES
MEASURED
WITH
RESPECT
TO
-S
AT
36V
-O.3A.1
3.
*AVERAGE
VALUE
SHOWN.
FACTURY SELECTED. I
4.
0 EXTERNAL CONTROLS,
~
INTERNAL
ADJUSTMENTS. I
5.
TRANSFORMER CONNECTIONS I
FOR
1I0/220V OPERATION.
USE
TERMINALS 2
AND
4 I
FOR
1/5/230 V OPERATION.
I
I
I
I
I
I
~
REFERENCE
DESIGNATIONS
5-9
Jv\ode
I 6960A

Related product manuals