EasyManua.ls Logo

HP 9030 CE - Page 41

HP 9030 CE
95 pages
Print Icon
To Next Page IconTo Next Page
To Next Page IconTo Next Page
To Previous Page IconTo Previous Page
To Previous Page IconTo Previous Page
Loading...
903040
Diagnostics 5-7
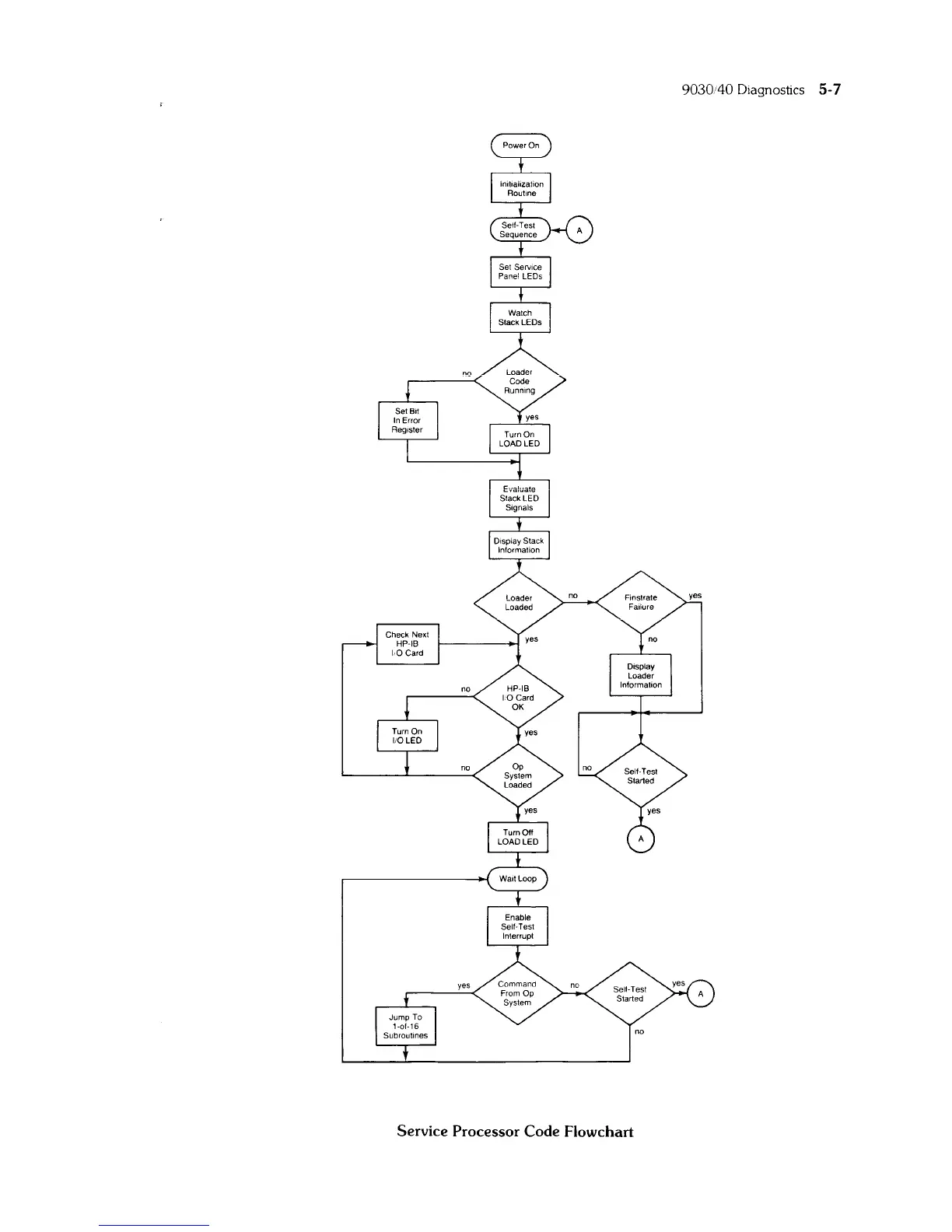
Service Processor Code Flowchart

Related product manuals