EasyManua.ls Logo

HP 9800 - Page 27

HP 9800
32 pages
Print Icon
To Next Page IconTo Next Page
To Next Page IconTo Next Page
To Previous Page IconTo Previous Page
To Previous Page IconTo Previous Page
Loading...
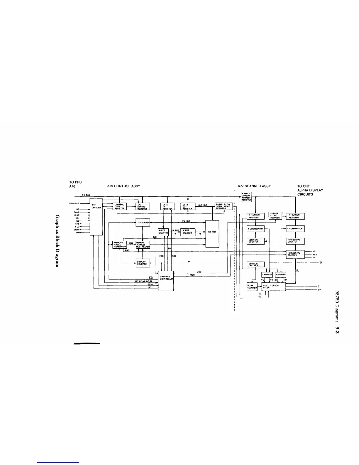
TO
PPU
A16
PA0-PA3
INT
OOUT
ICI
IC2
A79 CONTROL ASSY
I/O
ROY
I
A77
SCANNER ASSY
TO
CRT
ALPHA
DISPLAY
h-----------.
CIRCUITS
MEM
-----1
------GV

Related product manuals