EasyManua.ls Logo

HP 9830 - I;O and Peripherals; I;O State Machine and Flags

HP 9830
42 pages
Print Icon
To Next Page IconTo Next Page
To Next Page IconTo Next Page
To Previous Page IconTo Previous Page
To Previous Page IconTo Previous Page
Loading...
c
c
c
c
N12B.J
STC
10
nS
U12-17
7474
9
Q
8
nQ
D
11
Cp
12
nR
13
4
nS
U12-16
7474
5
Q
6
nQ
D
3
Cp
2
nR
1
c
22
B2
U12-8
74154
1-of-16
decoder
1
Y0
2
Y1
3
Y2
4
Y3
5
Y4
6
Y5
7
Y6
8
Y7
9
Y8
10
Y9
B1
B4
20
B8
11
Y10
13
Y11
14
Y12
15
Y13
16
Y14
17
Y15
18
E2
19
E1
23
21
10
nS
U12-16
7474
9
Q
8
nQ
D
11
Cp
12
nR
13
4
nS
U12-17
7474
5
Q
6
nQ
D
3
Cp
2
nR
1
c
c
c
15
D0
U12-4
74193
3
Q0
2
Q1
6
Q2
7
Q3
nLD
D1
10
D2
11
1
9
D3
R
5
CUp
4
CDp
14
12
TCU
13
TCD
N12B.10
c
c
c
8
9
U12-18
3
2
U12-9
1
12
13
U12-18
2
3
U12-19
1
13
U12-3
12
1
2
N12B.M
5
6
U12-15
4
9
8
U12-15
10
5
6
U12-10
4
12
11
U12-15
13
1
3
U12-15
2
2
3
U12-10
1
470
IOCK1
nSFC
nSFS
nLIx
nOTx
nMIx
IOS0
6
5
U12-18
N12B.K
EOW
2
1
U12-18
N12B.8
6
5
U12-9
4
12
11
U12-9
13
N12B.L
4
6
U12-19
5
10
11
U12-18
8
9
U12-9
10
10
8
U12-19
9
nSFC
nSFS
N12B.11
nLIx
nOTx
nMIx
N13B.5
13
11
U11-4
12
10
8
U11-4
9
12
11
U11-2
13
2.7K
2
3
Q0(11)
U11-9
8
1
13
nCEO
4
6
5
nKSTOP
10
11
U11-3
13
11
U11-19
12
6
5
U11-3
10
U11-12
9
13
8
12
4
3
U11-20
12
13
U11-20
8
9
U11-3
2
U11-12
5
4
6
1
4
6
U11-4
5
nPOP
N11B.N
5
6
U11-11
4
9
8
U11-11
10
N11B.10
N11B.8
N11B.9
EOW
CLF
N11B.R
9
8
U11-1
10
N11A.8
6
5
U11-20
2
1
U11-20
Q0
10
11
U11-20
4
3
U11-3
Q0(11)
STF
2
1
U11-3
Q2
Q2
Q3
Q1
Q4
Q00000
N11B.L
Q1(11)
CLF
Q1(11)
N11A.3
DRC
Q5
Q6
Q7
Q8
U12-1
74H101
6
Q
8
nQ
J
Cn
nS
5
13
2
1
K
3
4
12
11
10
9
IOCK2
IOS0
QRD
10
8
U12-2
9
N12B.D4
QRDb
10
U12-3
8
9
11
3
2
U12-7
1
N12A.C
nSRA
nPOP
5
U12-3
6
4
3
IOCK2
5
6
U12-7
4
nPTR
Q10
Q10
Q00000
N12B.A1
N11B.F
N11A.10
N34.2
N14B.N
SCB
HP 9830 Computer
Section: I/O State Machine & Flag Sense
Page: F1 Rendition: 2014 Dec 26
STF
12
11
U12-7
13
1
3
U12-2
2
N12A.4
IOS0
CLF
N12B.13
13
11
U12-2
12
N12A.E5
nLIx
nMIx
N14A.6
N11A.C
N11B.13
Q9
n(LIx+MIx)
4
3
U12-18
N12B.9
N23A.P
LIx+MIx
nXTR
N11B.11
(nCLC)
QFG
15
14
12
10
11
5
3
2
0
1
Q00000
Printer
Enable FF
(9810/20)
PEN
Magnetic
Card FF
(9810/20)
nMFL
10
9
nQ00000
nPTF
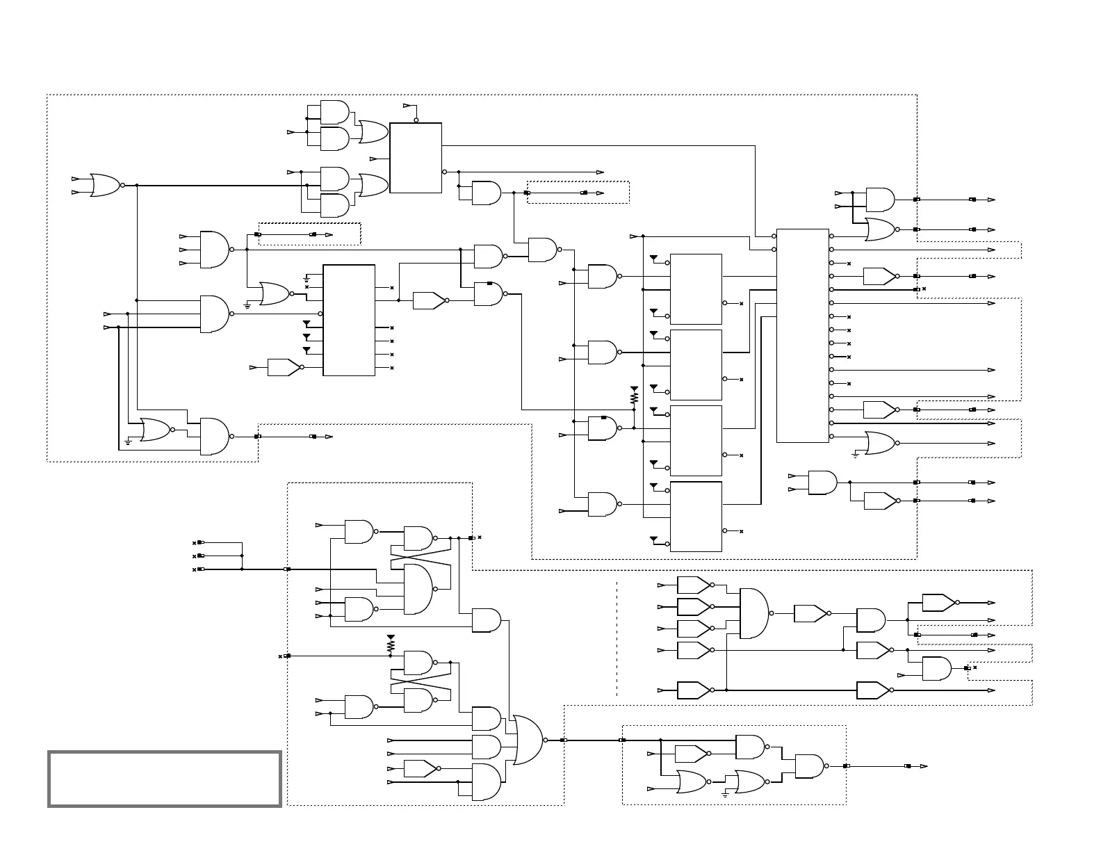
I/O Device Flags
&
Flag Selection
I/O Channel
Decoding
I/O Command
State Machine
CHANNEL 0
CHANNEL 1
CHANNEL 2
CHANNEL 4
CPU CLOCK & I/O
Assembly 12
CPU I/O
Assembly 11

Related product manuals