EasyManua.ls Logo

HP 9830 - Keyboard Interface

HP 9830
42 pages
Print Icon
To Next Page IconTo Next Page
To Next Page IconTo Next Page
To Previous Page IconTo Previous Page
To Previous Page IconTo Previous Page
Loading...
0.02
220
a
820
nKSCANDET
KR7
10
11
U32-16
nKC1
10
11
U32-5
DO12
8
9
U32-5
DO15
N34.10
N32.20
N34.K
N32.21
DO14
DO13
N34.9
N32.22
N34.J
N32.Z
KDBENB
N32.Y
N34.C
nKSTOP
1K
4
3
U32-5
1K
nSIH
N34.3
N32.M
KLS
N34.B
N32.19
100pF
N32.X
N34.4
nSSI
U32-13
1
3
5
U32-13
4
6
10
U32-12
9
8
2
1
U32-16
8
9
U32-16
2
U32-6
1
3
STOP KEY
CONTROL
KEY
PRESSED
CONTROL
KEY DATA
CONTROL
4 of
0.02
47
6V
12
13
U32-5
2
1
U32-5
6
5
U32-5
274
0.018
14
12
U32-2
7490
÷2
Q
6
5
U32-16
KEYPRESSED
REPEAT
OSCILLATOR
SCAN CLOCK &
KEYPRESS DETECTION
N34.N12
N34.A1,M11
N32-AA23
N32-A1,BB24
N31.1
N31.15
22
N31.4
2
1
3
U32-15
13
12
11
U32-15
9
10
8
U32-15
9
10
8
U32-9
5
4
6
U32-15
13
12
11
U32-13
2
1
3
U32-12
12
13
11
U32-9
1
2
3
U32-9
9
10
8
U32-13
4
5
6
U32-6
KSCANCLK
10
9
8
U32-6
13
12
11
U32-6
10
nS
U32-14
7474
9
Q
8
nQ
D
11
Cp
12
nR
13
4
5
6
3
2
1
nS
U32-14
7474
Q
nQ
D
Cp
nR
2
0.002
1K
220
5
4
6
U32-9
KSCANDET
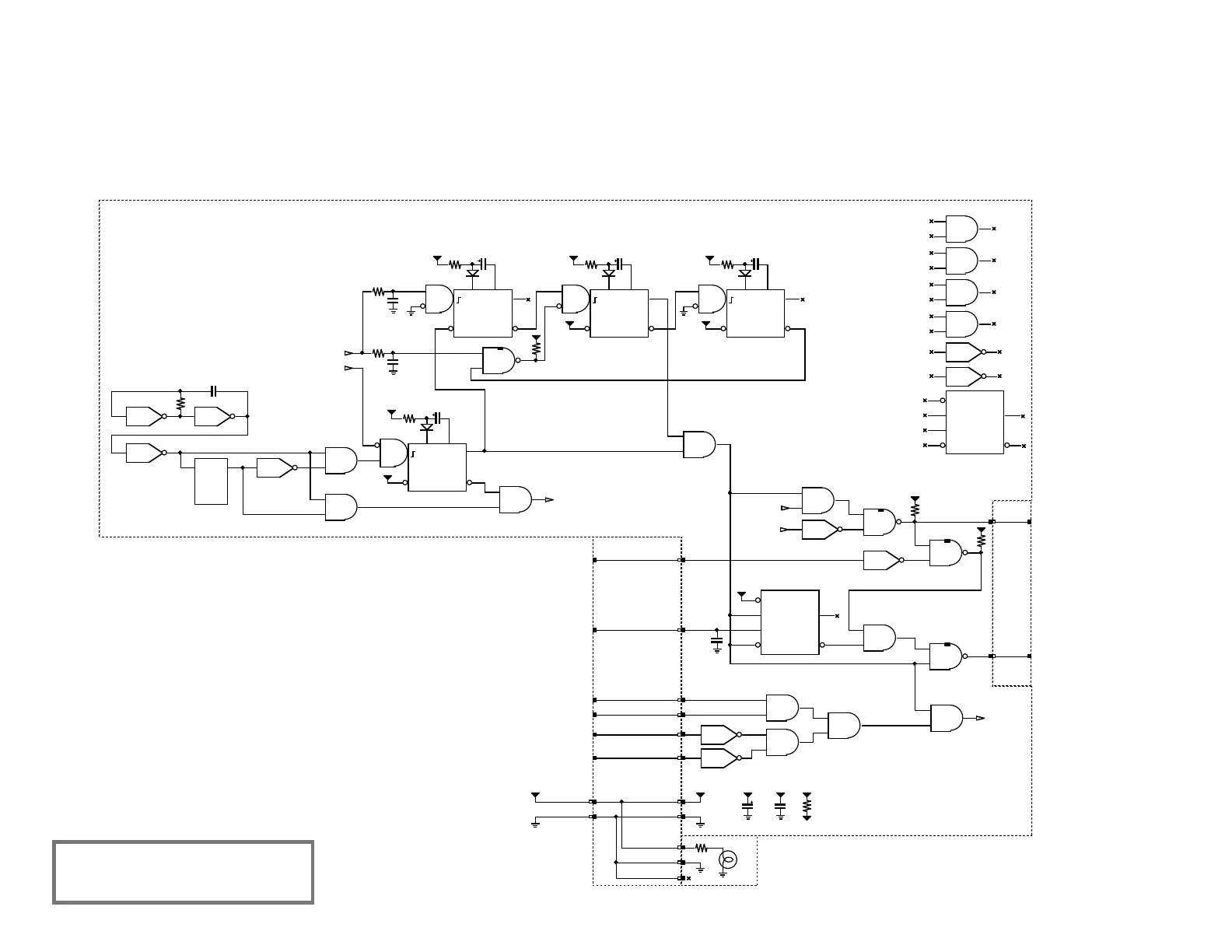
HP 9830 Computer
Section: Keyboard Scan Logic
Page: K1 Rendition: 2014 Dec 26
Cn
DELAY BEFORE
REPEAT
KEYBOARD LOGIC
Assembly 32
12
U32-10
74123
1.7S
5
Q
nQ
11
R
10
9
6
7
18.2K
330
6V
4
U32-11
74123
11mS
13
Q
nQ
3
R
2
1
14
15
22.1K
1.8
6V
12
U32-11
74123
82mS
5
Q
nQ
11
R
10
9
6
7
28.7K
10
20V
a
a
4
U32-10
74123
14mS
13
Q
nQ
3
R
1
2
14
15
26.7K
1.8
6V
a

Related product manuals