EasyManua.ls Logo

HP 9830 - Tape System

HP 9830
42 pages
Print Icon
To Next Page IconTo Next Page
To Next Page IconTo Next Page
To Previous Page IconTo Previous Page
To Previous Page IconTo Previous Page
Loading...
9
CSn
U62-4
7495
shift
register
13
Q0
12
Q1
11
Q2
10
Q3
SI
CPn
1
8
2
D0
3
D1
4
D2
5
D3
S/P
6
9
CSn
U62-3
7495
shift
register
13
Q0
12
Q1
11
Q2
10
Q3
SI
CPn
1
8
2
D0
3
D1
4
D2
5
D3
S/P
6
DCL
1
2
3
U61-2
N61B.8
N62.10
ID6
12
13
11
U61-2
N61B.H
N62.K
ID5
9
10
8
U61-2
N61B.7
N62.9
ID4
5
4
6
U61-3
N61B.F
N62.J
ID3
1
2
3
U61-3
N61B.6
N62.8
ID2
12
13
11
U61-3
N61B.E
N62.H
ID1
9
10
8
U61-3
N61B.5
N62.7
ID0
N61A.E
nDI6
N61A.6
nDI5
N61A.F
nDI4
N61A.7
nDI3
N61A.J
nDI0
N61A.H
nDI2
N61A.8
nDI1
10
nS
U62-5
7474
9
Q
8
nQ
D
11
Cp
12
nR
13
2
1
U62-11
5
4
6
U62-12
1
2
3
U62-12
N62.21
N62.X
N62.20
N62.Y
DO7
DO6
DO5
DO4
CTM
N62.W
N62.19
N62.V
N62.18
DO3
DO2
DO1
DO0
5
4
6
U61-2
N61B.J
N62.L
ID7
N61A.5
N62.17
WDT
TP9
2
1
3
U61-1
12
13
11
U61-1
9
10
8
U61-1
N61A.C
nDI10
N61A.4
nDI9
N61A.D
nDI8
5
4
6
U61-1
N61A.3
nDI11
1K
N61B.4
N61B.C
N61B.D
nCIN
nnLDR
nWPT
10
11
U61-6
8
9
U61-6
9
10
U61-7
8
4
U61-7
6
N61B.T
N61B.16
DO15
DO14
N61B.S
DO13
2
1
U61-7
3
N61B.15
DO12
5
4
5
U61-5
6
9
U61-5
8
10
12
13
U61-6
N61B.11
nCEOb
4
3
U61-6
2
U61-5
3
1
4
nS
U61-13
7474
5
Q
6
nQ
D
3
Cp
2
nR
1
9
10
8
U61-4
12
U61-7
11
13
12
U61-5
11
13
6
5
U61-6
12
13
U61-11
10
11
U61-11
5
4
6
U61-4
N61B.U
nINT
N61B.10
nSSI
N61B.L
nSIH
N61B.N
nPOPC
N61B.3
CTMb
N61B.9
CNT
nDI7
10
nS
U61-13
7474
9
Q
8
nQ
D
11
Cp
12
nR
13
LOAD
N62.S
RDT
a
a
RCB
4
3
U62-2
N62.C
WPT
N62.F
6
5
U62-2
N62.6
2
1
U62-2
N62.E
nLDR
CIN
?
6V
4 of
0.01
N61.B2
N61A.A1,B.1
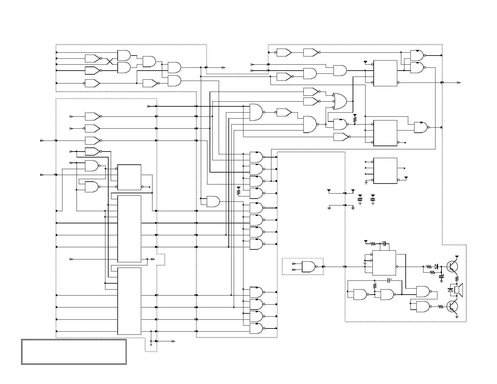
HP 9830 Computer
Section: Tape Interface
Page: T1 Rendition: 2014 Dec 26
TAPE INTERFACE
Assembly 61
TAPE CONTROL
Assembly 62
Q1
2
3
U11-19
1
STC
Q2
4-071
470
5
4
U61-15
6
U61-14
9601
100mS
8
Q
6
nQ
Tn
2
Tn
1
3
Tp
Tp
4
2
1
U61-15
3
220
0.47
10
9
U61-15
8
12
13
U61-15
11
Q1
4-071
470
22
3.9K
0
BEEP
N61B.P
N11B.K
11
13
47K
6.8
4
3
U61-11
4
U61-12
6
5
3
9
U61-
12
8
10
11
2
U61-12
12
1
13
6
5
U61-11
8
9
U61-11
4
nS
U61-10
7474
5
Q
6
nQ
D
3
Cp
2
nR
1
1
2
3
U61-4
1K
13
U61-4
11
12
2
1
U61-6
N61B.K
N61B.M
nCFI
FLG
N62.M

Related product manuals