EasyManua.ls Logo

HP P1006 - LaserJet B/W Laser Printer - Internal Assemblies Diagrams

HP P1006 - LaserJet B/W Laser Printer
148 pages
To Next Page IconTo Next Page
To Next Page IconTo Next Page
To Previous Page IconTo Previous Page
To Previous Page IconTo Previous Page
Loading...
Internal assemblies
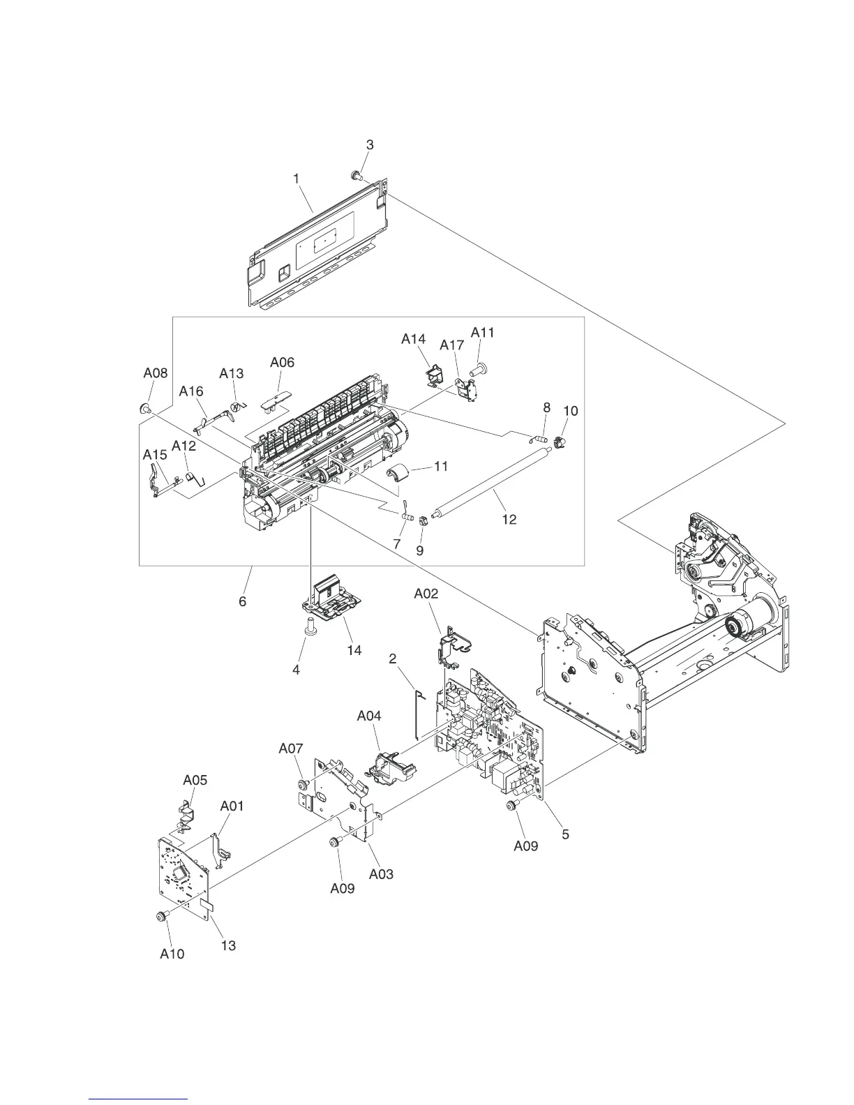
Figure 6-5 Internal components (1 of 3)
96 Chapter 6 Parts and diagrams ENWW

Related product manuals