EasyManua.ls Logo

HTP Mod Con - Page 32

HTP Mod Con
72 pages
Print Icon
To Next Page IconTo Next Page
To Next Page IconTo Next Page
To Previous Page IconTo Previous Page
To Previous Page IconTo Previous Page
Loading...
32
LP- 205 REV. 9.2.14
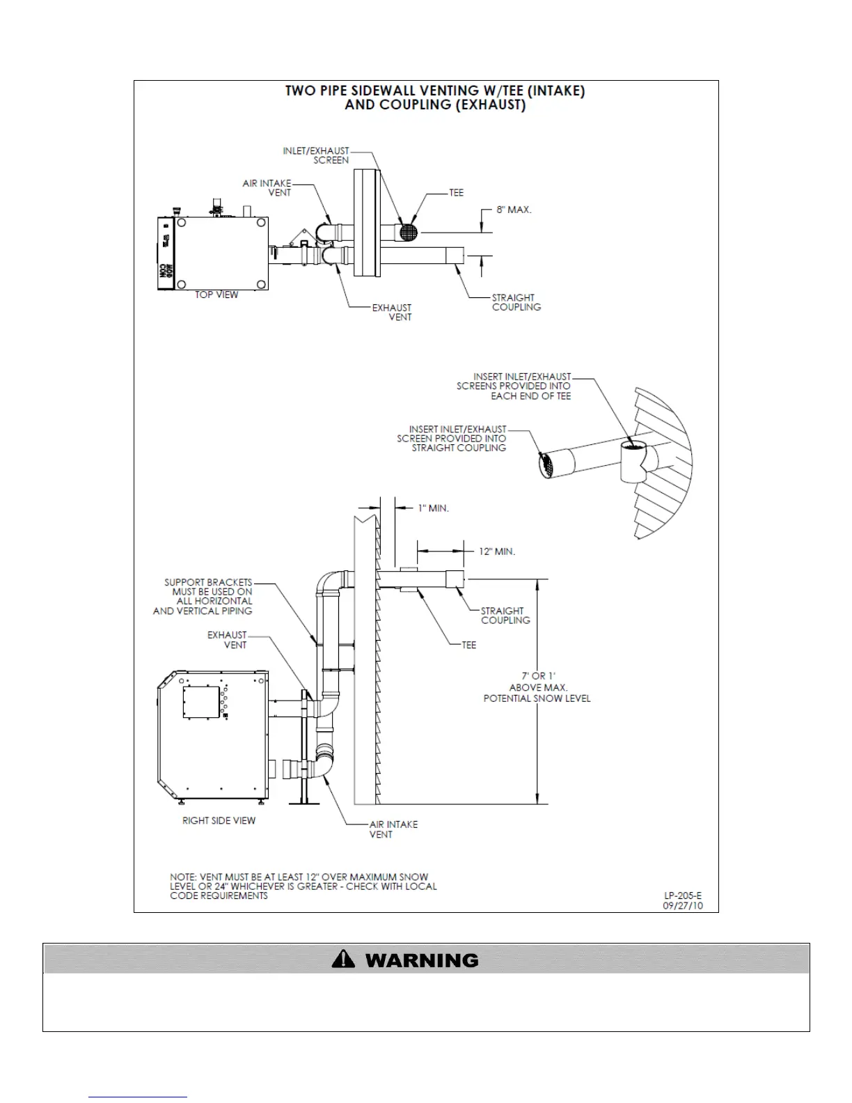
Figure 16 Sidewall Venting with Tee and Coupling
All vent pipes must be glued, properly supported, and the exhaust must be pitched a minimum of ¼” per foot back to the boiler to allow
drainage of condensate. Exhaust connection insertion depth should be a minimum of 2 ½” for models 300/500 and 3” for 850. When
placing support brackets on vent piping, the first bracket must be within 1’ of the appliance and the balance at 4’ intervals on the vent
pipe. Boiler venting must be readily accessible for visual inspection for the first three feet from the boiler.

Table of Contents

Related product manuals