EasyManua.ls Logo

HTP Mod Con - Page 46

HTP Mod Con
72 pages
Print Icon
To Next Page IconTo Next Page
To Next Page IconTo Next Page
To Previous Page IconTo Previous Page
To Previous Page IconTo Previous Page
Loading...
46
LP- 205 REV. 9.2.14
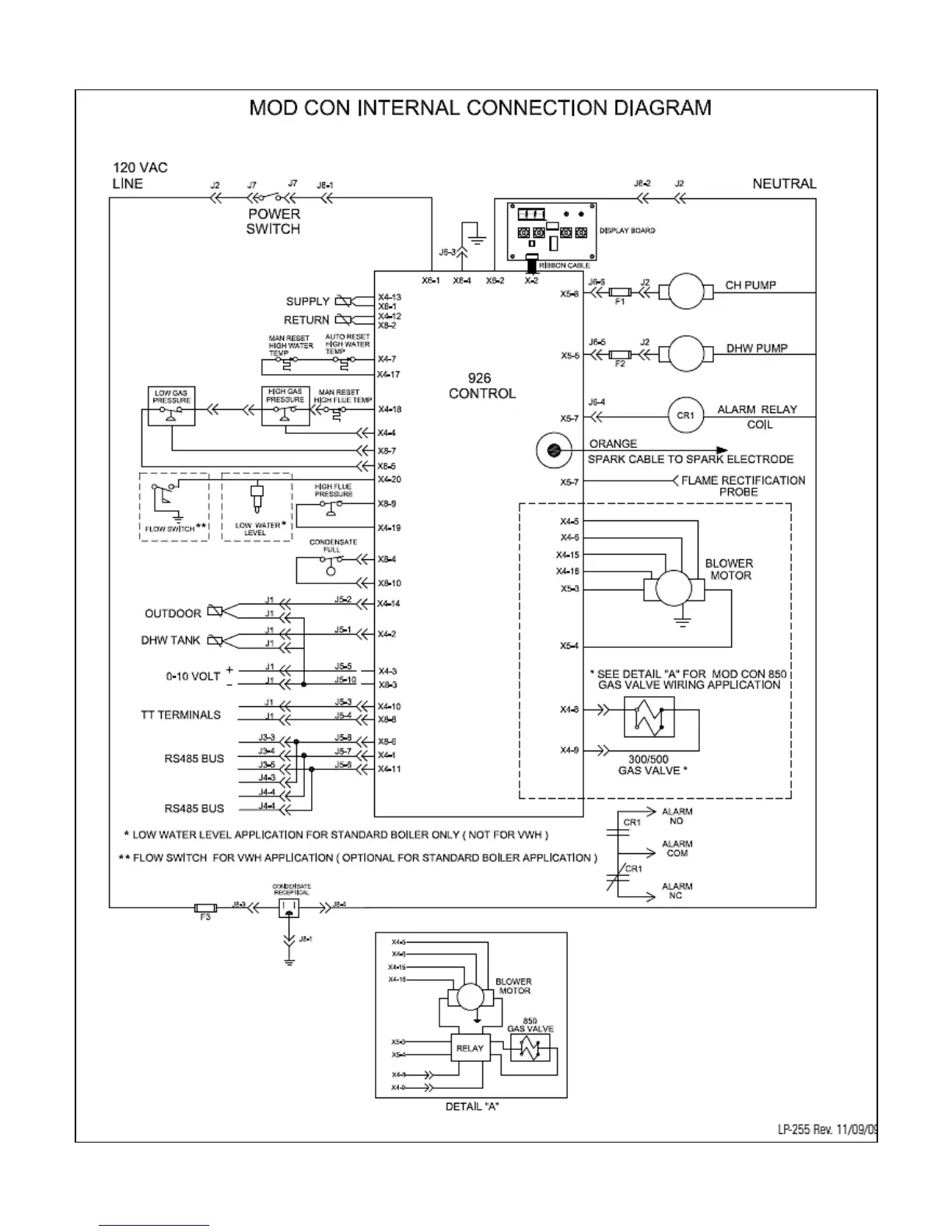
Figure 27 Mod Con Internal Connection Diagram

Table of Contents

Related product manuals