EasyManua.ls Logo

Huawei DTSU666-FE - Parameter Setting Operations

Huawei DTSU666-FE
15 pages
Print Icon
To Next Page IconTo Next Page
To Next Page IconTo Next Page
To Previous Page IconTo Previous Page
To Previous Page IconTo Previous Page
Loading...
12
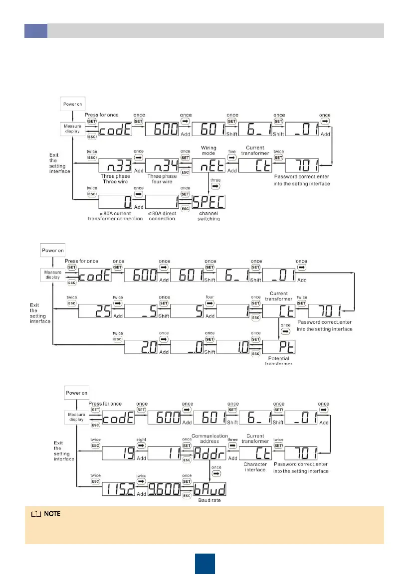
Button description: SET means "confirm" or "cursor move" (when inputting numbers or
parameters), ESC means "exit", and → means "add". The default user password is 701
.
The communication parameters are set for the Smart Power Sensor before delivery. If the
communication is abnormal, check and set the parameters.
Set wiring mode (three-phase four-wire or three-phase three-wire) and channel
switchover (direct connection or current transformer connection):
Set the current transformation ratio or potential transformation ratio:
Set communication address or baud rate:
Parameter Setting Operations
4.3

Related product manuals