EasyManua.ls Logo

Huawei SUN2000-280KTL Series - Page 23

Huawei SUN2000-280KTL Series
125 pages
To Next Page IconTo Next Page
To Next Page IconTo Next Page
To Previous Page IconTo Previous Page
To Previous Page IconTo Previous Page
Loading...
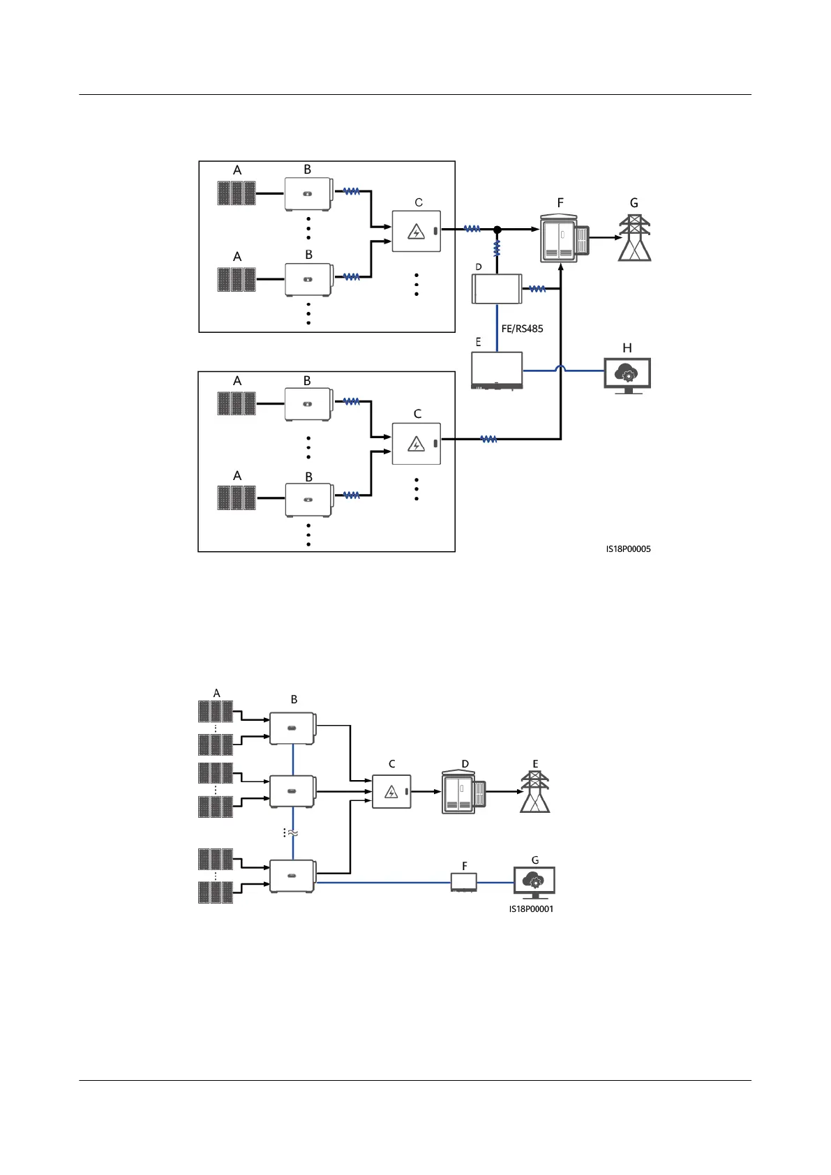
Figure 2-4 MBUS networking application (double-split transformer+SmartMBUS
CCO)
(A) PV strings (B) SUN2000s (C) AC combiner box
(D) SmartMBUS CCO01B (E) SmartLogger (F) Transformer station
(G) Power grid (H) Management system -
Figure 2-5 RS485 networking application
(A) PV strings
(B) SUN2000s (C) AC combiner box
(D) Transformer station (E) Power grid (F) SmartLogger
(G) Management system - -
SUN2000-(250KTL, 280KTL, 300KTL, 330KTL) Series
User Manual 2 Overview
Issue 07 (2023-06-30) Copyright © Huawei Technologies Co., Ltd. 16

Table of Contents

Related product manuals