EasyManua.ls Logo

Hunter 44DS - Page 115

Hunter 44DS
157 pages
Print Icon
To Next Page IconTo Next Page
To Next Page IconTo Next Page
To Previous Page IconTo Previous Page
To Previous Page IconTo Previous Page
Loading...
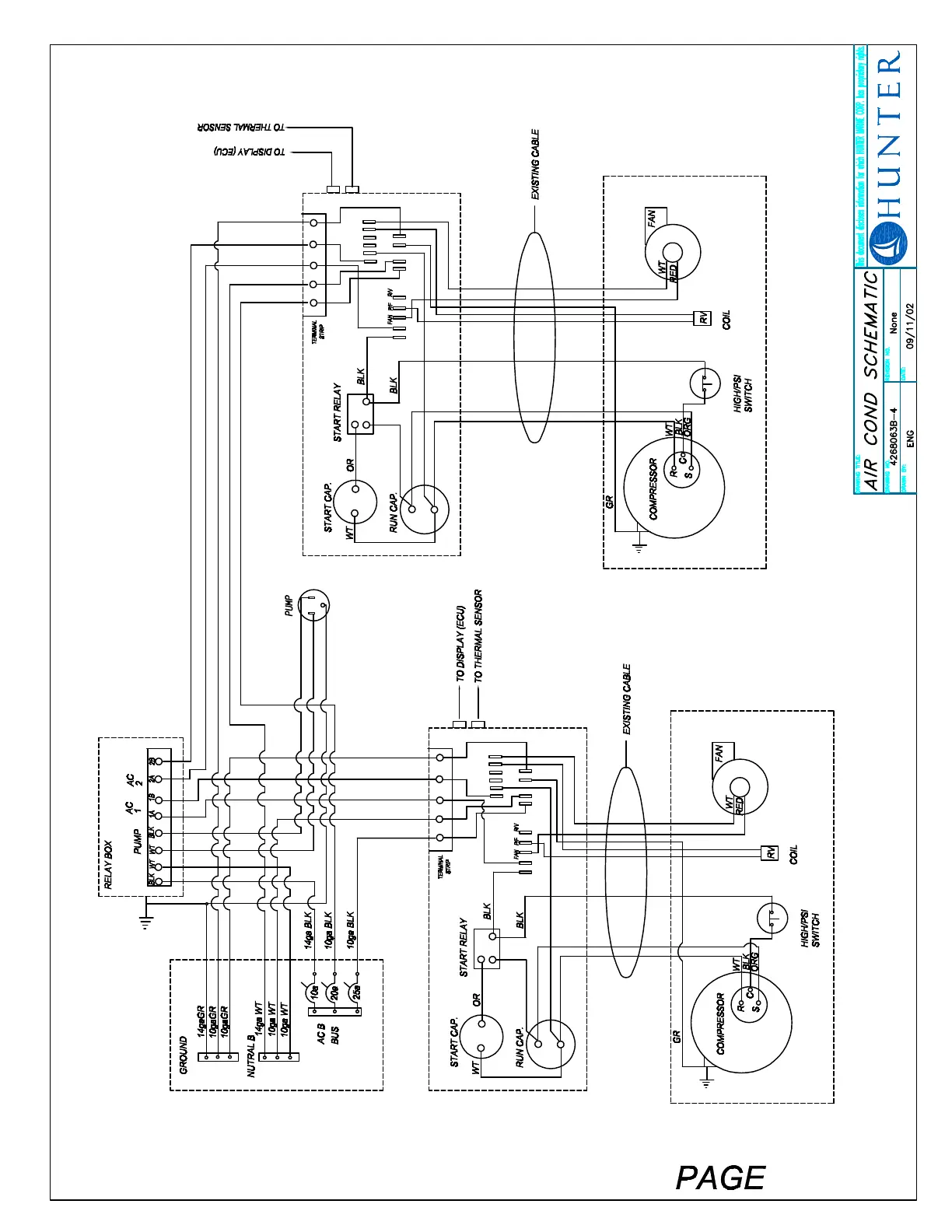
63B-4
CONDENSING UNIT
CONTROL MODULE
PANEL
CONDENSING UNIT
CONTROL MODULE
PANEL NOTE: ALSO SEE AC MANUAL FOR SCHEMATICS

Related product manuals