EasyManua.ls Logo

Hunter 44DS - Page 121

Hunter 44DS
157 pages
Print Icon
To Next Page IconTo Next Page
To Next Page IconTo Next Page
To Previous Page IconTo Previous Page
To Previous Page IconTo Previous Page
Loading...
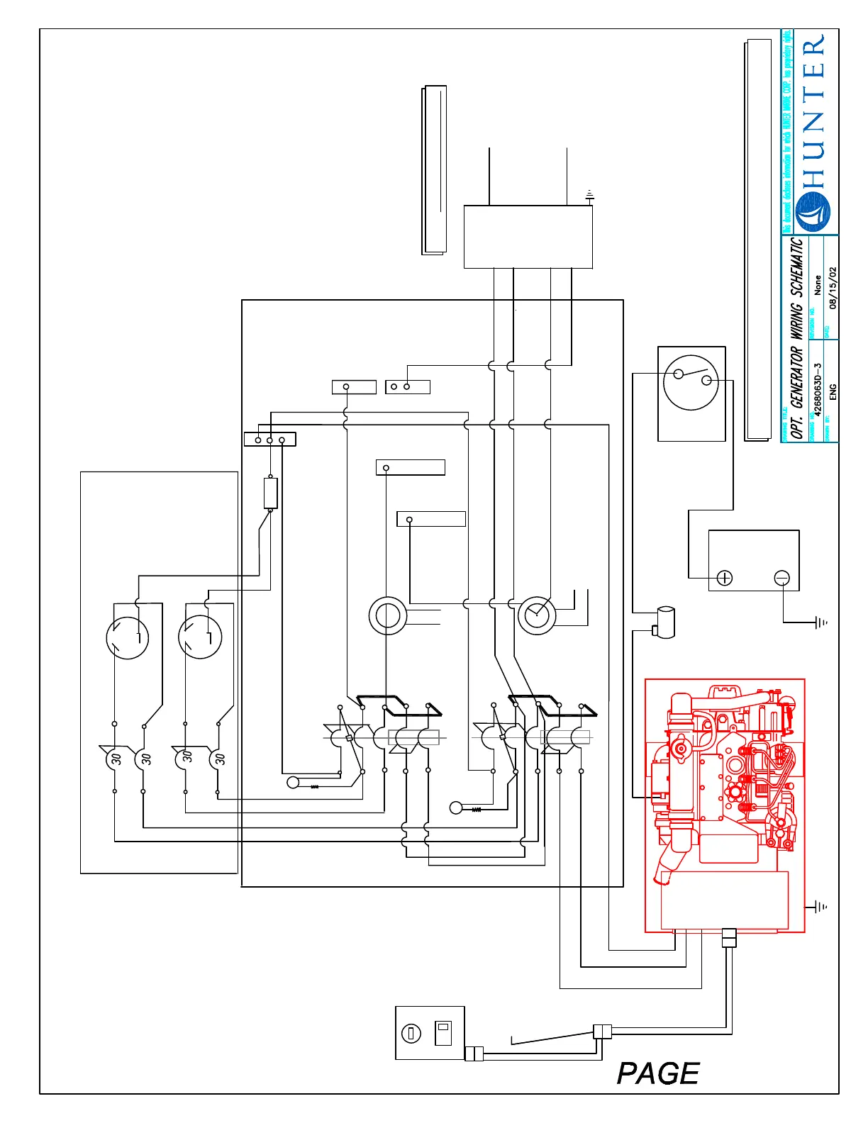
CONNECTOR PLUG
NUTRAL B
TO AC AMP/METER
6kw GENERATOR
REMOTE START PANEL
(AT NAV. STATION)
GR 6 ga
BLK 6 ga
WT 6 ga
50
50
30
30
50
R/P
GR 10 ga
WT 6 ga
BLK 6 ga
50
30
30
(LOCATED AT NAV. STATION)
START BATTERY SELECTOR SWITCH
SEE GENERATOR MANUAL FOR REMOTE PANEL HOOKUP, MAINTENENCE ETC.
START BATTERY
(LOCATED UNDER NAV. SEAT)
DRIVE MOTOR STARTER
CONNECTED AT THE
B1
F
WT 10 ga
BLK 10 ga
BLK 10 ga
WT 10 ga
NUTRAL A
TO AC AMP/METER
TO GEN. STARTER
BUS B
BLK 10 ga
BLK 10 ga
BUS A
FOR INV. SCHEMATIC)
(SEE PAGE 63C-3
1800 WATT
OUT
BLK 2/0
TO BAT. -
+ TO BAT. SELECTOR
HART INV
IN
BLK 2/0
WT 10 ga
WT 10 ga
BLK 10 ga
BLK 10 ga
HARNESS HAS ONE IN LINE
NOTE: START PANEL WIRING
WT 10 ga
R/P
GR 10 ga
WT 10 ga
BLK 10 ga
BLK 10 ga
GALVANIC ISOLATOR
WT 10 ga
GND
GR 10 ga
GR 10 ga
SHORE POWER
B
A
SHORE POWER
NOTE: INVERTER IS OPTIONAL
CONNECTOR PLUG
@ GENERATOR
@ START PANEL
CONNECTOR PLUG
63D-3

Related product manuals