EasyManua.ls Logo

Hunter 44DS - Page 129

Hunter 44DS
157 pages
Print Icon
To Next Page IconTo Next Page
To Next Page IconTo Next Page
To Previous Page IconTo Previous Page
To Previous Page IconTo Previous Page
Loading...
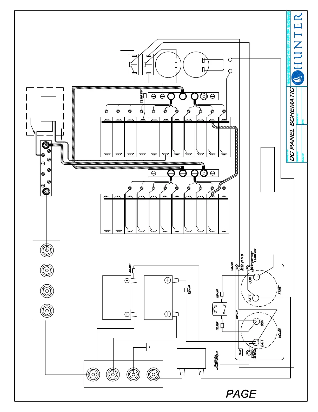
POSITIVE LEAD TO
GROUND BUSS BAR
NEGATIVE LEAD TO
LOAD SIDE OF BREAKER
(TYP. FOR ALL
V.H.F. WIRING
12V. ITEMS)
6GA. YELLOW
SPARE
INSTRUMENTS
n.c.
n.o.
MACERATOR
10A
LOAD
LINE
5A
TANK INDICATOR
VHF RADIO
10A
LP GAS
RUNNING LIGHTS
STEAM. LT.
DECK LIGHTS
10A
YELLOW
RED
5A
ANCHOR LT.
5A
LINE
RED
10A
SUMP PUMP
10A
WATER PUMP
5A
ENTERTAINMENT
COURTESY LIGHTS
PANEL LIGHTS
CABIN LIGHTS
5A
35A
5A
LOAD
SPARE
SPARE
REFRIGERATOR
20A
CHARGE CIRCUIT FROM
ALTERNATOR (CHARGES
BACK THRU STARTER)
PANEL COMPONENTS SHOWN AS VIEWED WHEN PANEL IS OPEN
BATTERY
AFT
BATTERY
FWD
BATTERY SELECTOR SWITCH PANEL
BATTERY
START
VOLTS
AMPS
SPARE
SPARE
SPARE
2/O 6 ga.
- +
TO BILGE PUMP FLOAT SWITCH
TO BILGE PUMP
TO ENGINE
BEHIND BATTERY SWITCH PANEL
BEHIND DC PANEL
n.o. n.o.
(UNDER FLOORBOARD BY AFT BATTERY)
TO ENGINE STARTER
SHUNT
64A
4268064A
None
08/15/02

Related product manuals