EasyManua.ls Logo

Hunter 44DS - Page 134

Hunter 44DS
157 pages
Print Icon
To Next Page IconTo Next Page
To Next Page IconTo Next Page
To Previous Page IconTo Previous Page
To Previous Page IconTo Previous Page
Loading...
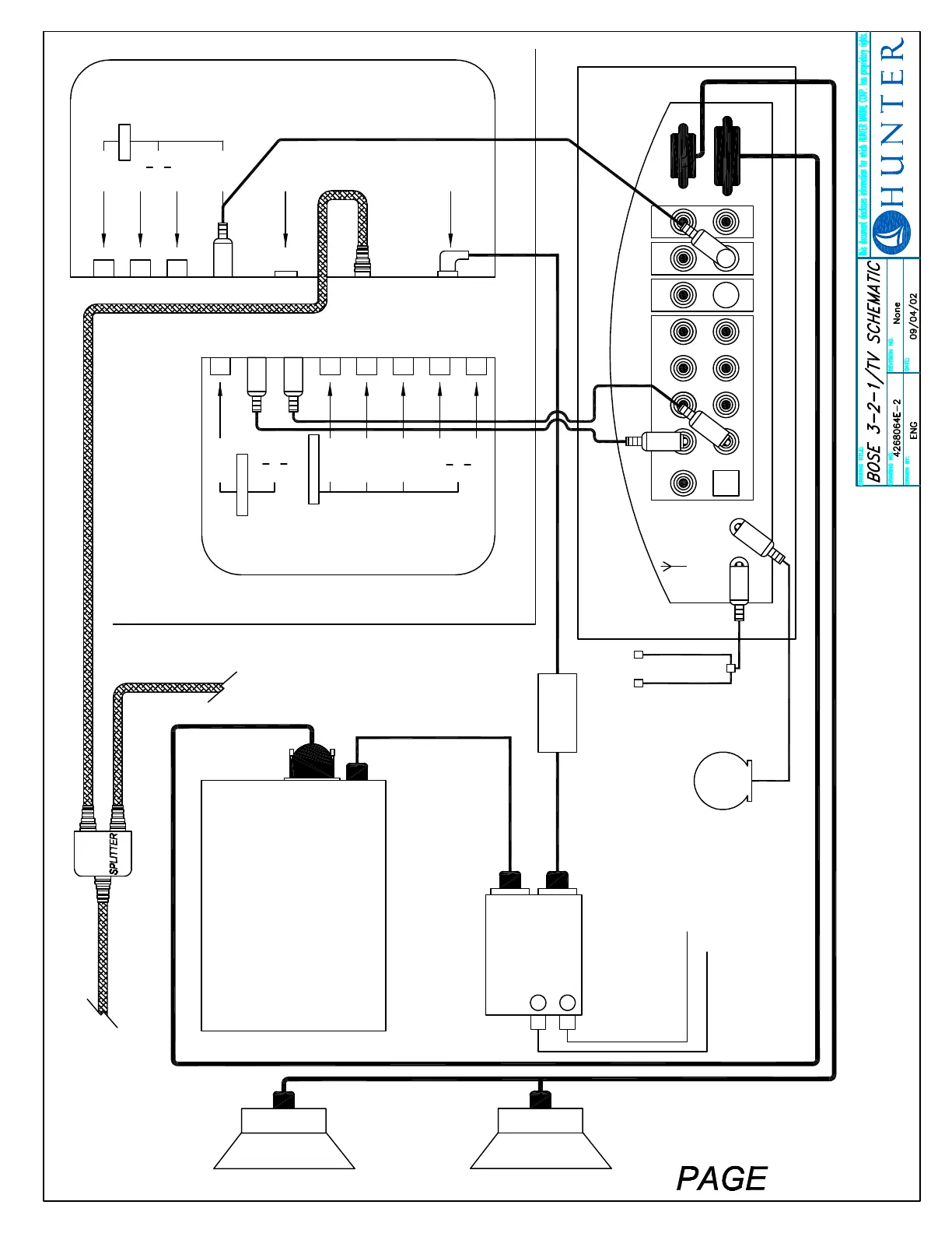
64E-2
INVERTER
SUB WOOFER
FROM CABLE SOURCE
TO MAIN TV
2-WAY
ANTENNA ANTENNA
FM LOOP
75 AM
W
OPTICAL
VIDEO VIDEO 2 AUX
AUDIO INPUT
D L
R
L
R
D
D R
INPUT
VIDEO
OUTPUT
VIDEO
OUTPUT
AUDIO
C
S
C
S
L
R
ACOUSTIMASS MODULE
SPEAKERS
VIDEO
AUDIO
L
R
AV-IN 2/OUT
COMPONENT
Y
P
B
R
P
R
AUDIO
L
R
AV-IN 1
AUDIO
L
VIDEO
S-VIDEO
HEAD
PHONES
INPUT
POWER
DC 12V
+
-
10gaYELLOW
10gaRED
TO MAIN PANEL
AC
ADAPTER
15" MONITOR
MEDIA CENTER
OPT.
TO OPT.
TV/DVD

Related product manuals