EasyManua.ls Logo

Hunter 44DS - Page 147

Hunter 44DS
157 pages
Print Icon
To Next Page IconTo Next Page
To Next Page IconTo Next Page
To Previous Page IconTo Previous Page
To Previous Page IconTo Previous Page
Loading...
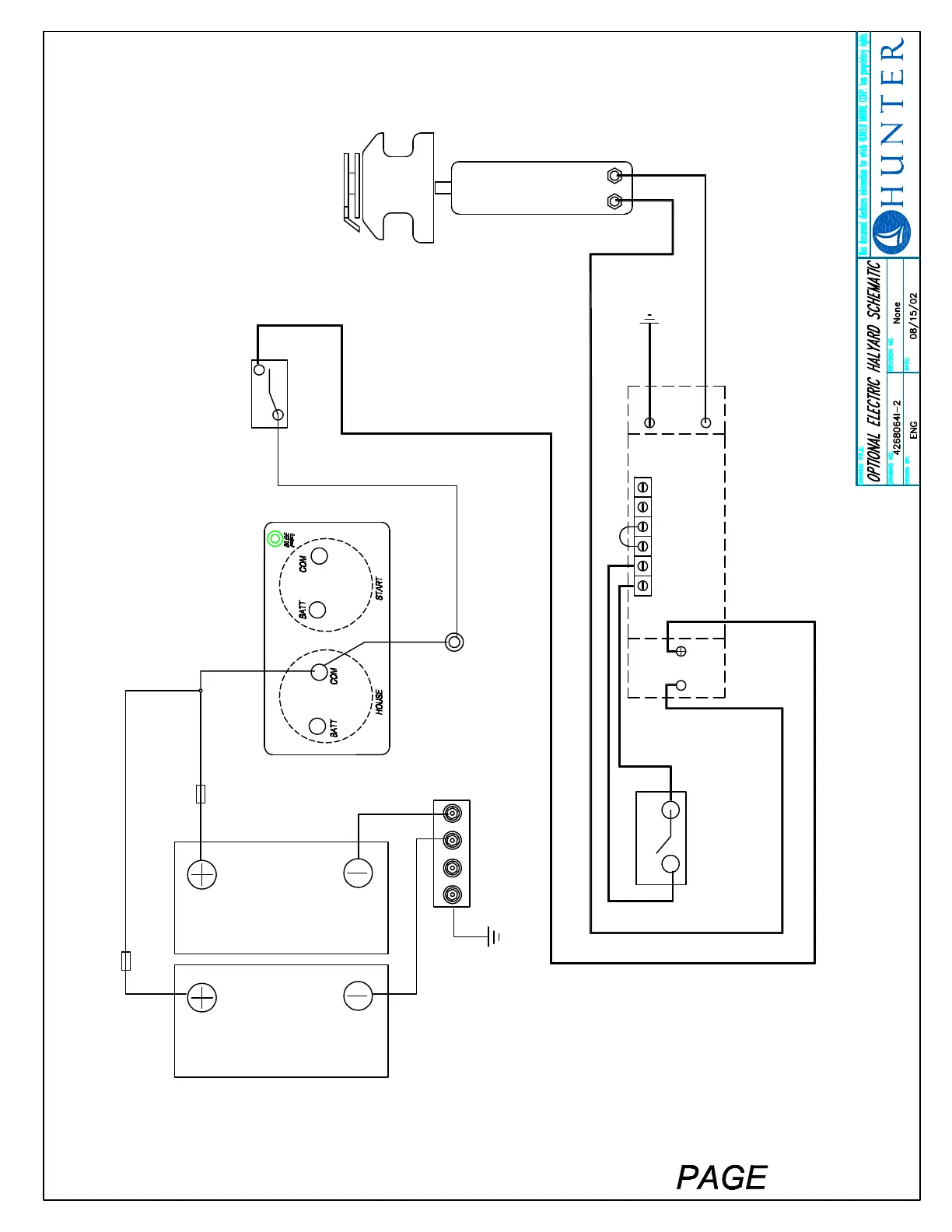
CONTROL BOX
MOTOR
BATT.MOTOR
DECK SWITCH
BATT.
1 65432
ELEC. HALYARD MOTOR
BATTERY
SWITCH
AFT BATTERY
RESET
FWD BATTERY
POS. STUD
300 AMP FUSE
300 AMP FUSE
64I-2

Related product manuals